Schema elettrico 16v

Mercatino
Gallery
lanciafina
Messaggi: 33
Iscritto il: 11 mag 2010, 17:31

Re: Schema elettrico 16v

Messaggio da leggere da lanciafina »

Grazie ragazzi...

mi serve uso gare, stò tentando di rimettere a posto una glorioa evo da salita....ma la salita è veramente ripida!!!!!!
Forse avrei bisogno di un ipotetico schema elettrico...credo.....
Accetto ulteriori suggerimenti.....
evo1cn
Messaggi: 190
Iscritto il: 16 feb 2009, 23:10

Re: Schema elettrico 16v

Messaggio da leggere da evo1cn »

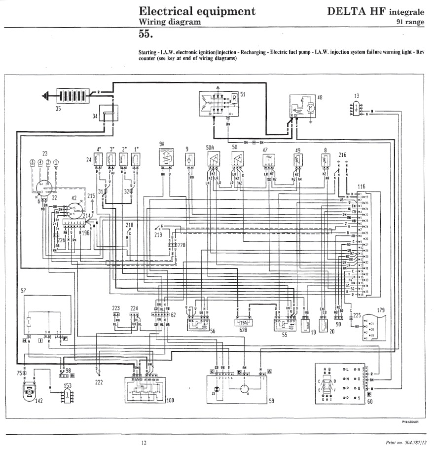
nel file allegato c'è tutto ciò che riguarda l'accensione della Evo di serie.
Allegati
pag12.jpg
pag12.jpg (189.2 KiB) Visto 594 volte
lanciafina
Messaggi: 33
Iscritto il: 11 mag 2010, 17:31

Re: Schema elettrico 16v

Messaggio da leggere da lanciafina »

Grazie infinite EVO 1
jumper310788
Messaggi: 74
Iscritto il: 16 gen 2009, 08:58

Re: Schema elettrico 16v

Messaggio da leggere da jumper310788 »

si riuscirebbe se per te non è un problema fare un post nuovo con tutte le immagini dei manuali d'officina della delta in modo che se uno del forum ha problemi possa consultarli liberamente? (è solo un idea poi vedi tu) ^^
lanciafina
Messaggi: 33
Iscritto il: 11 mag 2010, 17:31

Re: Schema elettrico 16v

Messaggio da leggere da lanciafina »

Sarebbe una cosa grandiosa, ma io non ho la più pallida idea di come si possa fare.....
jumper310788
Messaggi: 74
Iscritto il: 16 gen 2009, 08:58

Re: Schema elettrico 16v

Messaggio da leggere da jumper310788 »

in ke senso ? basta scannerrizzare tutte le pagine e fare un post nuovo "manule officina delta" e inserire i link di tutte le immagini ^^in modo ke se uno ha un problema è tutto più veloce penso io....
paolo (bs)
Messaggi: 815
Iscritto il: 22 dic 2008, 18:22

Re: Schema elettrico 16v

Messaggio da leggere da paolo (bs) »

cd completo di tutto(di tutte le versioni delta integrali)..... al costo di 15€.... e ti rimane x sempre...... quando ti serve qualcosa lo stampi... almeno io ho fatto così
simohf89
Messaggi: 1
Iscritto il: 06 mar 2011, 21:22

Re: Schema elettrico 16v

Messaggio da leggere da simohf89 »

ciao!!

sono alla ricerca dello schema elettrico della delta integrale 16v.. chi mi può aiutare??

grazie!!

simone
Rispondi

Torna a “Delta Integrali/S4”