Impianto audio

Mercatino
Gallery
stevek60
Messaggi: 3047
Iscritto il: 21 dic 2008, 21:25

Impianto audio

Messaggio da leggere da stevek60 »

Improvvisamente ieri l’autoradio originale ADM838 ha smesso di funzionare, non si sente piú alcun suono, l’ho estratta e disconnessa dall’alimentazione e riconnessa immesso il code si accende e cambia le stazioni ma come ricollego il cavo tondo a nove pin si blocca e non fa più nulla, a questo punto penso che si tratti dell’amplificatore che ha qualche problema, mi dispiace perché avevo fatto un buon upgrade del tutto collegandoci anche una radio dab e un lettore multifunzione mp3, bluethoot ,sd card presa aux e vivavoce senza contare il lettore multicd di serie perfettamente funzionante e la sostituzione delle casse con altre piú performanti.
Sarò costretto a metterci un’autoradio moderna sperando che gli attacchi siano universali (a vista mi sembra di si) ma mi dispiace perdere l’originalitá.
Stevek60
Moderatore sezioni :
K, K gallery, K mercatino, Thema, Thema gallery, Thema mercatino


Immagine
Avatar utente
Enzox
Messaggi: 664
Iscritto il: 14 gen 2016, 20:57

Re: Impianto audio

Messaggio da leggere da Enzox »

C'è da studiarci un po' sopra. Solitamente quasi tutto è riparabile...
K 2.0 LS '97 GPL Stargas
DELTA HF turbo '92

Immagine Immagine
Giuseppe
Messaggi: 2212
Iscritto il: 21 dic 2008, 23:45

Re: Impianto audio

Messaggio da leggere da Giuseppe »

Fossi io proverei a portarla in un centro di riparazione radio Clarion. Cercherei anche qualche ex centro autorizzato su piazza da parecchio tempo.
In alternativa si potrebbe optare per l'usato, ogni tanto ne capita uno.
stevek60
Messaggi: 3047
Iscritto il: 21 dic 2008, 21:25

Re: Impianto audio

Messaggio da leggere da stevek60 »

Nel frattempo per non rimanere senza musica e vivavoce ho acquistato un autoradio da poche pretese (che però ha funzionalità anni luce avanti dell'originale, praticamente un centro multimediale compresa la riproduzione di video...), gli spinotti iso originali dell'auto si innestano perfettamente nella nuova autoradio ma il problema è che si sente solo la parte anteriore mentre per le casse posteriori il silenzio assoluto, ho collegato una cassa che avevo per testare il regolare funzionamento della radio ed è tutto ok, penso che in qualche modo influisca il guasto all'ampli che ha escluso gli altoparlanti posteriori, pensavo di far passare dei cavi e collegarle direttamente alla radio anche perchè non voglio alterare il cablaggio in previsione di un ripristino dell'autoradio originale anche se i vari centri di assistenza ormai hanno chiuso i battenti uno dietro l'altro....
Stevek60
Moderatore sezioni :
K, K gallery, K mercatino, Thema, Thema gallery, Thema mercatino


Immagine
paolo220106
Messaggi: 2
Iscritto il: 01 gen 2026, 23:53

Re: Impianto audio

Messaggio da leggere da paolo220106 »

stevek60 ha scritto: 31 dic 2021, 14:10 Improvvisamente ieri l’autoradio originale ADM838 ha smesso di funzionare, non si sente piú alcun suono, l’ho estratta e disconnessa dall’alimentazione e riconnessa immesso il code si accende e cambia le stazioni ma come ricollego il cavo tondo a nove pin si blocca e non fa più nulla, a questo punto penso che si tratti dell’amplificatore che ha qualche problema, mi dispiace perché avevo fatto un buon upgrade del tutto collegandoci anche una radio dab e un lettore multifunzione mp3, bluethoot ,sd card presa aux e vivavoce senza contare il lettore multicd di serie perfettamente funzionante e la sostituzione delle casse con altre piú performanti.
Sarò costretto a metterci un’autoradio moderna sperando che gli attacchi siano universali (a vista mi sembra di si) ma mi dispiace perdere l’originalitá.
Salve,
come hai fatto a tenere l’autoradio originale e nel mentre avere anche attacco bluetooth? Io ho comprato un’autoradio nuova ma le casse posteriori non funzionano con questa
Avatar utente
Enzox
Messaggi: 664
Iscritto il: 14 gen 2016, 20:57

Re: Impianto audio

Messaggio da leggere da Enzox »

paolo220106 ha scritto: 01 gen 2026, 23:57 Io ho comprato un’autoradio nuova ma le casse posteriori non funzionano con questa
Forse il tuo sistema originale ha un amplificatore esterno, in questo caso devi sistemare i collegamenti bypassandolo.
K 2.0 LS '97 GPL Stargas
DELTA HF turbo '92

Immagine Immagine
paolo220106
Messaggi: 2
Iscritto il: 01 gen 2026, 23:53

Re: Impianto audio

Messaggio da leggere da paolo220106 »

Enzox ha scritto: 04 gen 2026, 18:52
paolo220106 ha scritto: 01 gen 2026, 23:57 Io ho comprato un’autoradio nuova ma le casse posteriori non funzionano con questa
Forse il tuo sistema originale ha un amplificatore esterno, in questo caso devi sistemare i collegamenti bypassandolo.
si ho il lettore cd e l'amplificatore nel porta bagagli...ma non so proprio come risolvere il problema
Avatar utente
Enzox
Messaggi: 664
Iscritto il: 14 gen 2016, 20:57

Re: Impianto audio

Messaggio da leggere da Enzox »

paolo220106 ha scritto: 06 gen 2026, 21:36
Enzox ha scritto: 04 gen 2026, 18:52
paolo220106 ha scritto: 01 gen 2026, 23:57 Io ho comprato un’autoradio nuova ma le casse posteriori non funzionano con questa
Forse il tuo sistema originale ha un amplificatore esterno, in questo caso devi sistemare i collegamenti bypassandolo.
si ho il lettore cd e l'amplificatore nel porta bagagli...ma non so proprio come risolvere il problema
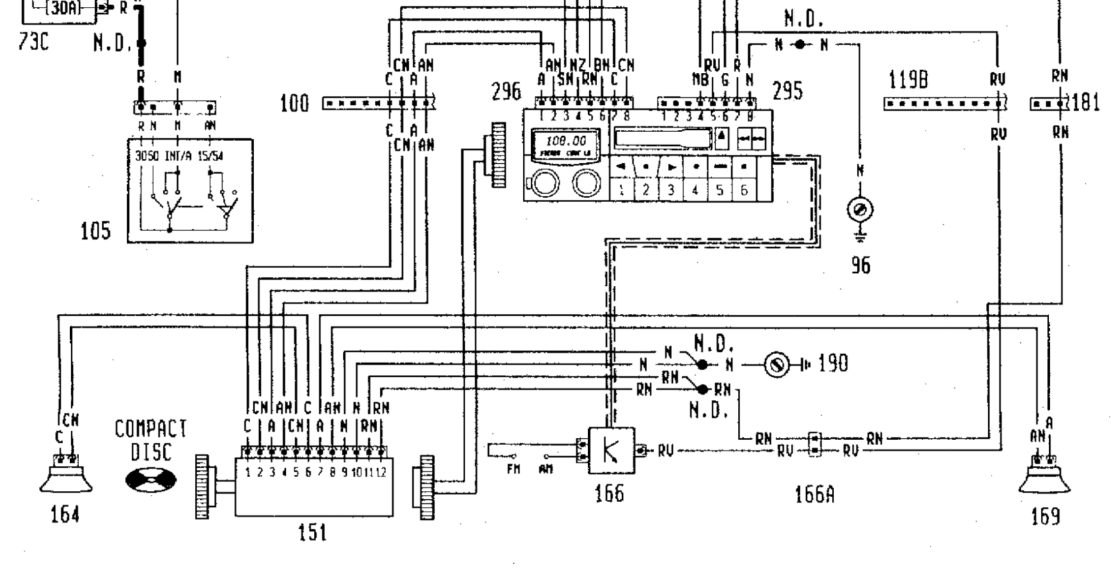
Se ho capito bene non userai il caricatore cd e l'amplificatore (che dubito sia più potente della nuova radio).
I cavi degli altoparlanti posteriori passano dall'amplificatore quindi devi staccare definitivamente la spinetta (quella rettangolare, non quella rotonda) dall'amplificatore e fare un ponte tra i contatti della spinetta.
Se lo schema è corretto devi ponticellare sulla spinetta 1-6 2-5 3-7 e 4-8.
Per sicurezza guarda anche i colori dei cavi che devono essere uguali tra i fili che vai a ponticellare.
Fai dei ponticelli robusti perché da lì passa direttamente la potenza che va alle casse.
Screenshot_20260107-212449~2.png
K 2.0 LS '97 GPL Stargas
DELTA HF turbo '92

Immagine Immagine
Rispondi

Torna a “K”