Fisoa Fuel Filter

CD's with partsbook, workshop manual, original sales brochures, instruction booklet, ads.
tanger911
Posts: 8
Joined: 02 May 2010, 01:16

Fisoa Fuel Filter

Unread post by tanger911 »

Hello,

My Flaminia Coupe (823.02) has an aftermarket fuel filter installed prior to the carbs (see pic) . The parts manual mentions it should have a Fispa Filter (that I have now sourced), but i have no idea where it should be installed. Any help with the location would be greatly appreciated.

Thanks

Henry
Attachments
PHOTO-2022-04-22-14-41-33.jpg
gcarenini
Posts: 1692
Joined: 18 Jan 2011, 12:21

Re: Fisoa Fuel Filter

Unread post by gcarenini »

Hello Henry,
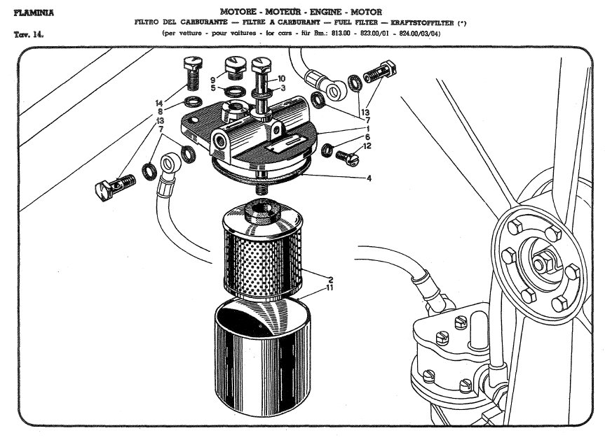
if I'm not wrong, the 823.02 (3B 2,5) and 826.030 (3B 2,8) are equipped only with the filter inside the electric Bendix fuel pump, the big external FISPA fuel filter type 40-10960 is for berlina 813.00, coupè single carb 823.00/01 and 824.00/03/04, the small FISPA filter with regulator type FRB 11.3064.07 is for 824.10/13/14 and 826.132/134/138/140/232 as you can see in the attached tables from spare part catalog.
I saw some pictures of 3B 2,8 equipped with regulator filter but I guess are not original. You can see in the other attachments that filters are not installed in the same position.
I my 2,8 3B there isn't any FISPA filter in the engine bay.
The manual in my hand is version updated 4-1968, could you please give me the reference of your manual?

Many thanks

Best regards

Giovanni
Attachments
Flaminia spare part manual 4-1968.jpg
3B con filtro regolatore.jpg
3B con filtro regolatore 1.jpg
Flaminia FISPA FB 40-10960.jpg
Flaminia FISPA FRB 11.3064.07.jpg
tanger911
Posts: 8
Joined: 02 May 2010, 01:16

Re: Fispa Fuel Filter

Unread post by tanger911 »

Thank you Giovanni,

I think you are correct and I made a mistake reading the parts manual. I checked my manual and it is the same as yours, FISPA 40 for 813.00 and 01, and FISPA 11 with regulator for for 824.10, etc.

Thank you again for your help!

Henry
Post Reply

Return to “70 Flaminia”