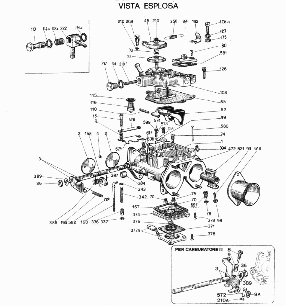
1. The trouble with the carburetor pictures in the Lancia parts catalog is that they kind of represented the different types in one drawing. The drawing they show in the parts catalog for S2/3 is for a C.35 PHH E2, and you got to go to the list of parts to see what part is for what type of carburetor. I am (trying to) attach a picture for the C.35 PHH 23, which is the type of carburetor you got. You will see that the set screw you are talking about is not even shown on the drawing. The explanation why is in 2. below. [attachment=0]Scan_20210331.jpg[/attachment]
2. The srew is not a "Volume Control screw" as you may imagine. It is a screw that allows a little bit of "air bleed" to pass forward of the butterfly valve. The idea is that the two sides need to be "balanced" or "synced" as they call it. In idle, both sides need to provide exactly the same amount of air +fuel to make sure the engine will run balanced at idle. Since the butterflies never totally close off the same amount at idle, they provided an air bleed passage with a set screw, to give the side where the butterfly valve closes off more a little bit extra air to make it equal to the side that closes off slightly less. Solex did this balancing at the factory, and then sealed of the set screws with some kind of hard "putty" on top of the screw in the hole. I use a kind of softer putty that allows to adjust later if needed (but hardens over time too)
Solex Carb - Missing Venturi?
Re: Solex Carb - Missing Venturi?
Unread post by mpter »
Thank you for your detailed reply. Now it makes all clear what we have accidentally found on an instagram account
Screws properly putted. !!
Jump to
- Forum Viva-Lancia Italia
- ↳ Regolamento e Staff
- ↳ Modelli Lancia (dal 1906 ad oggi)
- ↳ Modelli dal 1906 all'Ardea
- ↳ Aurelia, D20/D23/D24/D50
- ↳ Appia
- ↳ Flaminia
- ↳ Flavia e "2000"
- ↳ Fulvia
- ↳ Beta
- ↳ Stratos
- ↳ Beta Montecarlo
- ↳ Gamma
- ↳ Delta e Prisma
- ↳ Rally 037
- ↳ Thema
- ↳ Y10, Y, Ypsilon
- ↳ Delta Integrali/S4
- ↳ Dedra e Delta "2"
- ↳ Z e Phedra
- ↳ K
- ↳ Lybra
- ↳ Thesis
- ↳ Musa
- ↳ Delta "3"
- ↳ Ypsilon 5p "2011"
- ↳ Chrysler-Lancia
- ↳ Veicoli Industriali Lancia (1912-1970)
- ↳ Veicoli Industriali
- ↳ Jolly e SuperJolly
- ↳ Argomenti generali sulla Lancia
- ↳ Lancia Cafè
- ↳ Raduni, Gare, Fiere, Musei e Convegni
- ↳ Editoria, Modellismo, Automobilia
- ↳ Burocrazia e dintorni
- ↳ Scuderia Lancia corse
- ↳ Lancia-Avvistamenti
- ↳ Museo virtuale Lancia
- ↳ Lambda
- ↳ Astura
- ↳ Artena
- ↳ Aprilia
- ↳ Aurelia
- ↳ Richieste e commenti.
- ↳ Theta
- ↳ Alpha
- ↳ Flaminia
- ↳ Appia
- ↳ Beta
- ↳ Flavia
- ↳ Gamma
- ↳ Esatau
- ↳ Ardea
- ↳ Archivio storico-fotografico
- ↳ Augusta
- ↳ Delta
- ↳ Rally 037
- ↳ Superjolly
- ↳ 3 Ro
- ↳ Kappa
- ↳ Dilambda
- ↳ Trikappa
- ↳ Altri Marchi
- ↳ MERCATINI
- ↳ Flavia e "2000" : il Mercatino
- ↳ Delta Integrali/S4 : il Mercatino
- ↳ Fulvia : il Mercatino
- ↳ Beta : il Mercatino
- ↳ Altri Marchi : il Mercatino
- ↳ Lybra : il Mercatino
- ↳ Thema : il Mercatino
- ↳ K : il Mercatino
- ↳ Thesis : il Mercatino
- ↳ Z e Phedra: il mercatino
- ↳ Musa: il mercatino
- ↳ Ypsilon: il mercatino
- ↳ GALLERIES
- ↳ Lybra Gallery
- ↳ Thema Gallery
- ↳ Beta e Beta Montecarlo Gallery
- ↳ Thesis Gallery
- ↳ Fulvia Gallery
- ↳ Z e Phedra Gallery
- ↳ Delta Integrali/S4 Gallery
- ↳ Delta "3" Gallery
- ↳ Dal 1906 alle Appia Gallery
- ↳ K Gallery
- ↳ Altri Marchi Gallery
- ↳ Flaminia Gallery
- ↳ Gamma Gallery
- ↳ Y10, Y, Ypsilon, Ypsilon 5p Gallery
- ↳ Musa Gallery
- ↳ Dedra e Delta "2" Gallery
- ↳ Flavia e "2000" Gallery
- ↳ Delta e Prisma Gallery
- ↳ ALTRI ARGOMENTI
- ↳ Fulvia : meccanica e imp.elettrico
- ↳ Fulvia : carrozzeria ed interni
- Lancia Foren auf Deutsch
- ↳ D01 Allgemeiner Gedankenaustausch über Lancia
- ↳ D02 Lancia Café
- ↳ D04 Quiz
- ↳ D07 Events, Treffen
- ↳ D09 Literatur, Automobilia
- ↳ D10 Kompatible E-Teile
- ↳ D11 Ypsilon "2024"
- ↳ D12 Flavia "2012"
- ↳ D14 Voyager
- ↳ D16 Thema "2011"
- ↳ D18 Ypsilon 5p "2011"
- ↳ D20 Delta 3. Serie (2008)
- ↳ D25 Musa
- ↳ D30 Thesis
- ↳ D35 Phedra, Zeta
- ↳ D40 Lybra
- ↳ D45 Kappa
- ↳ D50 Thema, Dedra
- ↳ D55 Ypsilon, Y10, A112
- ↳ D60 Delta, Integrale, Prisma
- ↳ D65 Beta, Gamma, Beta Montecarlo
- ↳ D70 Fulvia, Flavia, Flaminia, Stratos
- ↳ D90 Die A-Lancia's und alter
- Lancia fora in het Nederlands
- ↳ NL02 Algemene discussie over Lancia
- ↳ NL05 Lancia in Nederland
- ↳ NL10 Lancia in Belgie
- ↳ NL11 Lancia Café
- ↳ NL12 Historische Rallies op Lancia
- ↳ NL25 Delta 3 (vanaf 2008)
- ↳ NL30 Musa
- ↳ NL35 Thesis
- ↳ NL40 Phedra, Zeta
- ↳ NL45 Lybra
- ↳ NL50 Kappa. Technische zaken.
- ↳ NL51 Kappa. Wetenswaardigheden en meetings.
- ↳ NL52 Kappa. Te koop / gevraagd.
- ↳ NL60 Thema, Dedra
- ↳ NL65 Ypsilon, Y10, A112
- ↳ NL70 Delta, Integrale, Prisma
- ↳ NL80 Beta, Gamma, Monte Carlo
- ↳ NL85 Fulvia, Flavia, Flaminia, Stratos
- ↳ NL86 Fulvia, Flavia, Flaminia te koop / gevraagd
- ↳ NL90 De A- Lancia's en ouder
- Phedra 's Piazza
- ↳ Phedra 's Piazza
- Lancia forums in English
- ↳ 01 General Lancia discussions and forum messages
- ↳ 20 Historic Rallies on Lancia
- ↳ 40 Thesis
- ↳ 43 Phedra
- ↳ 45 Lybra
- ↳ 47 Kappa
- ↳ 49 Ypsilon, Y10
- ↳ 51 Thema
- ↳ 53 Gamma
- ↳ 55 Dedra
- ↳ 57 Delta, Prisma, Delta Integrale
- ↳ 59 Montecarlo, Scorpion
- ↳ 61 Beta, Beta spider, Beta Zagato, Trevi
- ↳ 63 Stratos
- ↳ 65 Fulvia
- ↳ 68 Flavia, Lancia 2000
- ↳ 70 Flaminia
- ↳ 75 Early Cars
- ↳ 80 Other Lancia passenger, rally and F1 cars
- ↳ 85 Lancia trucks and busses
- ↳ 90 Books / Pictures / Video's on Lancia
- Forum Lancia en Français
- ↳ F01 Discussion générale sur Lancia
- ↳ F05 Rallyes historiques en Lancia
- ↳ F40 Thesis
- ↳ F45 Phedra
- ↳ F50 Lybra - >elta 3 - Musa
- ↳ F55 Kappa
- ↳ F65 Thema, Dedra
- ↳ F70 Ypsilon, Y10, A112
- ↳ F75 Delta, Integrale, Prisma
- ↳ F80 Beta, Gamma, Monte Carlo
- ↳ F85 Fulvia, Flavia, Flaminia, Stratos
- ↳ F90 A- Lancia's et avant