salve ragazzi dopo tempo son riuscito ad abilitare l'entrata AUX sull'ICS della mia Lybra, ma siccome ho il caricatore CD vorrei sapere bene nei dettagli cosa utilizzare per SWITCHARE da AUX A CARICATORE e viceversa con un semplice tasto. Ho letto in giro di utilizzare un relè, ma come? Come e cosa collegare
Grazie in anticipo attendo vostre risposte ansioso, visto che ho il cruscotto dell'auto smontato per riverniciarlo. Grazie!
AIUTO!! Relè cavo aux + caricatore lancia lybra
AIUTO!! Relè cavo aux + caricatore lancia lybra
Lybra 1.9 Jtd 128 cv EPROM
1999
Blue Nicole
Importata da Lussemburgo
Vetri scuri
345.000 Km
!
1999
Blue Nicole
Importata da Lussemburgo
Vetri scuri
345.000 Km
!
Re: AIUTO!! Relè cavo aux + caricatore lancia lybra
Benvenuto sul forum , Alkantros !!
Vai sul sito http://www.clublybra.com , registrati e vai nella sezione GUIDE : ce n'è una che spiega esattamente come fare la modifica che ti serve.
( Cavo multimediale senza smontare ICS e funzioni caricatore )
Vai sul sito http://www.clublybra.com , registrati e vai nella sezione GUIDE : ce n'è una che spiega esattamente come fare la modifica che ti serve.
( Cavo multimediale senza smontare ICS e funzioni caricatore )
Ypsilon 1.2 8v 2006
Ex: Fulvia 3 1.3s '76, Y elefantino blu '98,
Y Unica '02, Lybra 1.9 jtd '02, Lybra 1.9 Jtd '04

Preferirei spingere la mia Lancia, piuttosto che guidare un'Audi...
Ex: Fulvia 3 1.3s '76, Y elefantino blu '98,
Y Unica '02, Lybra 1.9 jtd '02, Lybra 1.9 Jtd '04

Preferirei spingere la mia Lancia, piuttosto che guidare un'Audi...
Re: AIUTO!! Relè cavo aux + caricatore lancia lybra
grazie Elettriko, solo che solo poco chiare, e dispersive...parlano del relè, ma non capisco bene cosa connettere al relè...solo i 3 fili? cioè "destro-sinistro-massa" dei due lati cioè aux e cd oppure 4 fili...cioè quelli di prima + il filo blu per la commutazione? Se qualcuno mi potrebbe fare uno schema anche a mano..o che mi faccia capire...grazie!
Lybra 1.9 Jtd 128 cv EPROM
1999
Blue Nicole
Importata da Lussemburgo
Vetri scuri
345.000 Km
!
1999
Blue Nicole
Importata da Lussemburgo
Vetri scuri
345.000 Km
!
-
fred summer
- Messaggi: 986
- Iscritto il: 26 feb 2009, 21:52
Re: AIUTO!! Relè cavo aux + caricatore lancia lybra
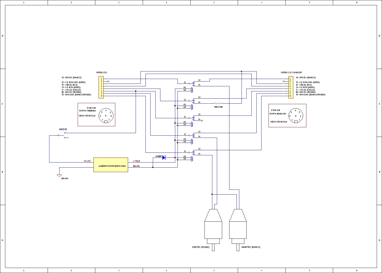
Ciao,
io sto usando questo schema, ma ora che ho messo un'autoradio supplementare, ho tolto lo switch e la commutazione la fa tramite l'uscita a 12V che serve per l'ampli o l'antenna elettrica. Ho usato dei relay a 5V perchè avevo questi a disposizione, con un alimentatore switching. Ma puoi usare benissimo dei relay 12V.
io sto usando questo schema, ma ora che ho messo un'autoradio supplementare, ho tolto lo switch e la commutazione la fa tramite l'uscita a 12V che serve per l'ampli o l'antenna elettrica. Ho usato dei relay a 5V perchè avevo questi a disposizione, con un alimentatore switching. Ma puoi usare benissimo dei relay 12V.
- Allegati
-
- multiics.jpg (179.05 KiB) Visto 205 volte
Fred Summer
-----------------------------------------------------------
JTD 115cv LS - S.W. - 2004 - Grigio Elisa
-----------------------------------------------------------
-----------------------------------------------------------
JTD 115cv LS - S.W. - 2004 - Grigio Elisa
-----------------------------------------------------------