Ciao
Come accennato nel post Multimedializzare la Lybra : una nuova via da seguire ? ,
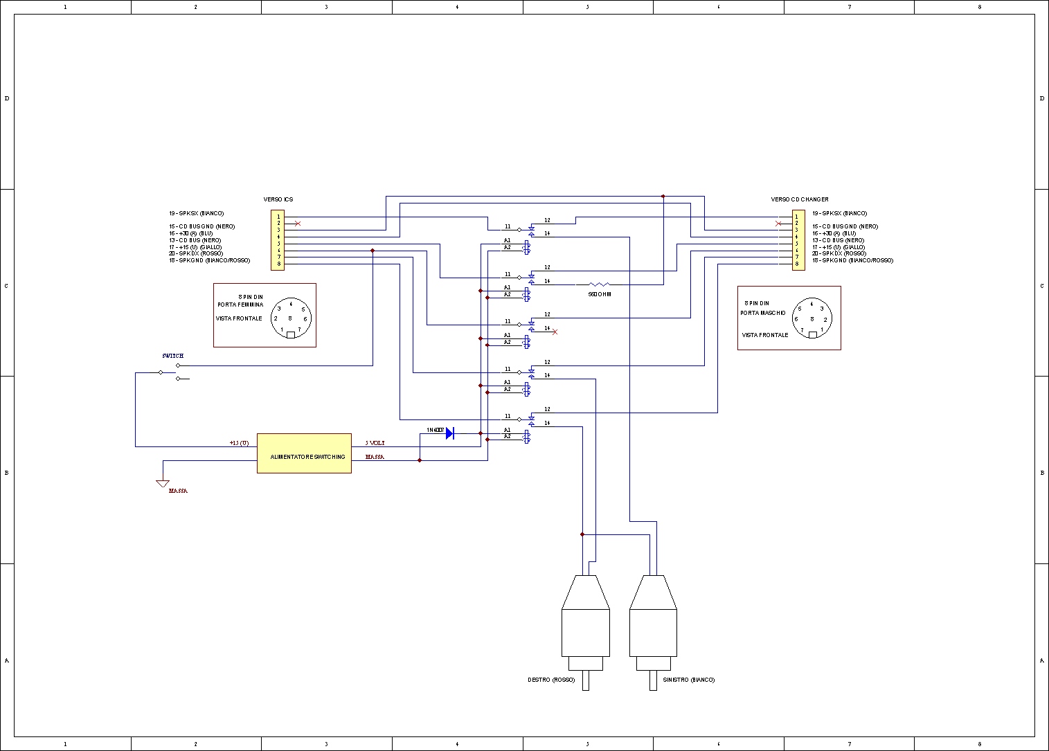
la mia idea è quella di utilizzare un'autoradio con lettore CD e magari Line IN / USB, da abbinare al CD Changer. Questo per una mia comodità nel cambiare il CD dall'abitacolo e sfruttare gli MP3 (e senza perdere la memoria della traccia ascoltata quando spengo tutto).
Per ora ho assemblato l'ennesima versione di switch per selezionare il caricatore CD o l'AUX.
La scelta dei componenti è stata dettata da quello che avevo a disposizione, quindi relay a 5Volt a basso consumo e alimentatore switching per eccitarli. Con questo alimentatore, l'assorbimento complessivo è di 80 mA.
Oltre a selezionare i canali audio e l'abilitazione, ho pensato di non far arrivare al CD Changer la tensione fornita dall'ICS quando acceso, così non c'è ulteriore assorbimento. La resitenza da 560ohm è solo perché non mi piace fare connessioni "sparate" su ingressi di selezione.
Per ora uso un interruttore per la commutazione, ma quando avrò installato l'autoradio, ci penserà la sua uscita in tensione (in genere usata per accendere amplificatori o l'antenna elettrica) a far passare l'ICS in AUX quando accendo l'autoradio, altrimenti avrò il CD Changer.
Nel file allegato c'è lo schema preliminare, è da rinominare in .pdf.
!tt! ho corretto la risoluzione del file da rinominare in .pdf, ora dovrebbe essere visibile e migliore del file.jpg di due post sotto B)
Cavo AUX con relay per autoradio
-
fred summer
- Messaggi: 986
- Iscritto il: 26 feb 2009, 21:52
Cavo AUX con relay per autoradio
- Allegati
-
- multi ics.jpg (45.19 KiB) Visto 73 volte
Fred Summer
-----------------------------------------------------------
JTD 115cv LS - S.W. - 2004 - Grigio Elisa
-----------------------------------------------------------
-----------------------------------------------------------
JTD 115cv LS - S.W. - 2004 - Grigio Elisa
-----------------------------------------------------------
Re: Cavo AUX con relay per autoradio
Non so se è problema mio ma con il solito Adobe Reader non si vede niente... ho dovuto installare un'altro programma per poterlo vedere.
Codice: Seleziona tutto
[b][color=#1E90FF]Lybra 1.9 JTD 115CV SW - No Navi - Cruise - No EGR - 2003[/color][/b]-
fred summer
- Messaggi: 986
- Iscritto il: 26 feb 2009, 21:52
Re: Cavo AUX con relay per autoradio
... scusate,
è un problema mio, ora l'ho inserito come file immagine.
è un problema mio, ora l'ho inserito come file immagine.
- Allegati
-
- multiics.jpg (179.05 KiB) Visto 74 volte
Fred Summer
-----------------------------------------------------------
JTD 115cv LS - S.W. - 2004 - Grigio Elisa
-----------------------------------------------------------
-----------------------------------------------------------
JTD 115cv LS - S.W. - 2004 - Grigio Elisa
-----------------------------------------------------------