autoparlanti post scollegate
-
michele di pinerolo
- Messaggi: 640
- Iscritto il: 24 dic 2008, 01:29
autoparlanti post scollegate
ciao a tutti
nella mia lybra ho aggiunto lecasse sulle portiere posteriori
ma non sono collegate .
qualcuno sa' dirmi da dove vanno collegate?
io credo dall'ics ma non so' la colorazione dei fili,
oppure c'e' da fare qualche altro collegamento?
ciao e grazie
nella mia lybra ho aggiunto lecasse sulle portiere posteriori
ma non sono collegate .
qualcuno sa' dirmi da dove vanno collegate?
io credo dall'ics ma non so' la colorazione dei fili,
oppure c'e' da fare qualche altro collegamento?
ciao e grazie
MICHELE DI PINEROLO
-
Silvano[IT-RU]
- Messaggi: 337
- Iscritto il: 09 mag 2009, 20:48
Re: autoparlanti post scollegate
hai l'impianto di base?Hai la berlina?
-
michele di pinerolo
- Messaggi: 640
- Iscritto il: 24 dic 2008, 01:29
Re: autoparlanti post scollegate
ciao
ho una sw e si credo sia di base e non ho il bose
grazie
ho una sw e si credo sia di base e non ho il bose
grazie
MICHELE DI PINEROLO
-
Silvano[IT-RU]
- Messaggi: 337
- Iscritto il: 09 mag 2009, 20:48
Re: autoparlanti post scollegate
e nelle portiere dietro non ci sono le casse? O parli dei due buchi nel baule?
Re: autoparlanti post scollegate
La SW senza bose non ha le casse sulle portiere posteriori. Purtroppo non è nemmeno predisposta, quindi dovrai trovare il modo di passare i cavi. Non so neppure se l'ICS base ha l'uscita per le ulteriori casse...
Forse ti conveniva sostituire quelle sui lati della cappelliera post. con altre più performanti.
Forse ti conveniva sostituire quelle sui lati della cappelliera post. con altre più performanti.
-
Silvano[IT-RU]
- Messaggi: 337
- Iscritto il: 09 mag 2009, 20:48
Re: autoparlanti post scollegate
concordo con mastro, ti conviene far piazzare un piccolo amplificatore davanti e mettere delle casse alpine da 250. E dietro mettere un sub preamplificato(da attaccare al changer volendo, cosi non hai cavi da far smontare mezza macchina) Avrai un ottimo suono, poi se vuoi la tamaromobile, allora preparati a smontare mezza macchina, per il resto potrò dirti i cavi dove vanno.
Re: autoparlanti post scollegate
mastro Scritto:
-------------------------------------------------------
> La SW senza bose non ha le casse sulle portiere
> posteriori. Purtroppo non è nemmeno predisposta,
> quindi dovrai trovare il modo di passare i cavi.
A titolo informativo, neanche la berlina: gli sportelli sono solo sagomati come per accettare una mascherina, ma niente casse negli sportelli posteriori.
-------------------------------------------------------
> La SW senza bose non ha le casse sulle portiere
> posteriori. Purtroppo non è nemmeno predisposta,
> quindi dovrai trovare il modo di passare i cavi.
A titolo informativo, neanche la berlina: gli sportelli sono solo sagomati come per accettare una mascherina, ma niente casse negli sportelli posteriori.
Daniele - fiat1100d
Lybra 1.8 LX berlina, 07/2003
Lybra 1.8 LX berlina, 07/2003
-
michele di pinerolo
- Messaggi: 640
- Iscritto il: 24 dic 2008, 01:29
Re: autoparlanti post scollegate
io le ho gia' messe e collegate
perche hanno la predisposizione hanno i fili che escono e sono delle autoparlanti
sicuramente sono scollegate ma non so' da dove hanno i fili uno nero e l'altro nero con striscia rossa
con la spinottiera originale per il collegamento autoparlanti.
quindi c'e' tutto basta solo attivare i fili.
ciao e grazie
perche hanno la predisposizione hanno i fili che escono e sono delle autoparlanti
sicuramente sono scollegate ma non so' da dove hanno i fili uno nero e l'altro nero con striscia rossa
con la spinottiera originale per il collegamento autoparlanti.
quindi c'e' tutto basta solo attivare i fili.
ciao e grazie
MICHELE DI PINEROLO
-
cesarwr250
- Messaggi: 150
- Iscritto il: 29 gen 2009, 12:34
Re: autoparlanti post scollegate
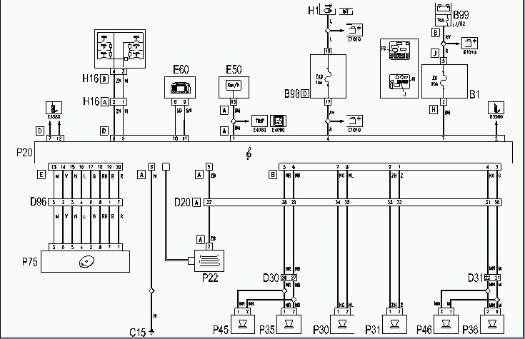
Ciao amico Michele, come stai? Anche io non lo so, e non hanno installato il BOSE per mancanza di tempo, ma prima di Natale, lo installare. Come DTE, iI cavi sono all'interno della plastica che è alle base della porte ed i cavi sono di colore NG e NL a sinistra e ZN e Z a destra. I codici dei colori io non lo so, è N (nero) con la lista G (Gialo?) E l'altra è N (nero) con la lista L (blu). Il Z será que cosa? Un grande abbraccio.
- Allegati
-
- radio2.jpg (125.1 KiB) Visto 408 volte
-
- radio.jpg (75.39 KiB) Visto 408 volte
Saluti dall Portogallo. César.
Lybristi dal Portogallo - Lancia Lybra SW LS 1.9jtd 115hp 2003 (184Mkm)Nero Elena (NoNavi-TV-PS2-Cruise-Bose-Parrot-S.pioggia)
[IMG]http://img390.imageshack.us/img390/7449 ... tarlz4.jpg[/IMG][IMG]http://img125.imageshack.us/img125/1280/assinaturag.jpg[/IMG]
Lybristi dal Portogallo - Lancia Lybra SW LS 1.9jtd 115hp 2003 (184Mkm)Nero Elena (NoNavi-TV-PS2-Cruise-Bose-Parrot-S.pioggia)
[IMG]http://img390.imageshack.us/img390/7449 ... tarlz4.jpg[/IMG][IMG]http://img125.imageshack.us/img125/1280/assinaturag.jpg[/IMG]
Re: autoparlanti post scollegate
michele di pinerolo Scritto:
-------------------------------------------------------
> io le ho gia' messe e collegate
> perche hanno la predisposizione hanno i fili che
> escono e sono delle autoparlanti
Ti riferisci a dei cavi predisposti nelle portiere? Non è chiarissimo.
> sicuramente sono scollegate ma non so' da dove
> hanno i fili uno nero e l'altro nero con striscia
> rossa
> con la spinottiera originale per il collegamento
> autoparlanti.
> quindi c'e' tutto basta solo attivare i fili.
Considera che gli altoparlanti, di norma, non hanno un "verso": se collegate "male" possono insorgere problemi di fase e, nell'ascolto, riscontrerai un suono più fiacco e diffuso, mentre quando sono correttamente in fase il suono è più potente in quanto le onde sonore si sommano invece di annullarsi a vicenda. Ovviamente questo problema si riscontra bene con due casse in stereofonia (destra e sinistra), non so di preciso come cambino le cose con anche gli altoparlanti anteriori, ma di certo qualche differenza si riscontrerà.
-------------------------------------------------------
> io le ho gia' messe e collegate
> perche hanno la predisposizione hanno i fili che
> escono e sono delle autoparlanti
Ti riferisci a dei cavi predisposti nelle portiere? Non è chiarissimo.
> sicuramente sono scollegate ma non so' da dove
> hanno i fili uno nero e l'altro nero con striscia
> rossa
> con la spinottiera originale per il collegamento
> autoparlanti.
> quindi c'e' tutto basta solo attivare i fili.
Considera che gli altoparlanti, di norma, non hanno un "verso": se collegate "male" possono insorgere problemi di fase e, nell'ascolto, riscontrerai un suono più fiacco e diffuso, mentre quando sono correttamente in fase il suono è più potente in quanto le onde sonore si sommano invece di annullarsi a vicenda. Ovviamente questo problema si riscontra bene con due casse in stereofonia (destra e sinistra), non so di preciso come cambino le cose con anche gli altoparlanti anteriori, ma di certo qualche differenza si riscontrerà.
Daniele - fiat1100d
Lybra 1.8 LX berlina, 07/2003
Lybra 1.8 LX berlina, 07/2003