Finestrino che sale a scatti
-
Il compare
- Messaggi: 6
- Iscritto il: 06 feb 2009, 00:29
Finestrino che sale a scatti
EVVIVA GLI ELETTRAUTI!
Questi signori sono diventati peggio dei dottori, ognuno ti risponde in modo diverso!
Il motorino alzavetri porta anteriore DX della mia Lybra 1.9 jtd '02 non era pi+ buono tanto che girava a vuoto e quindi il vetro saliva e scendeva con le mani.
L'ho portata dal primo elettrauto che con 85 euro mi ha montato il nuovo motorino, ma il finestrino scende tranquillamente ma sale a scatti. Ho provato ad effettuare la pratica di riprogrammazione (quella tenendo premuto il pulsante per 2 sec su alzata e discesa) ma niente, continua a scendere liscio ma sale a scatti.
Così anche la funzione "automatico" (quella che con un piccolo click del pulsante fa scendere o salire completamente il finestrino)non funziona.
Il secondo elettrauto mi ha detto che mi è stato montato un modello sbagliato perchè sprovvisto di un pin che è proprio quello relativo a tale funzione anche se l'altro dice che il motorino è giusto e che è un problema di centralina.
Io non ho modo di verificare chi sia il cogl.... eehmm, lo stupidone però vorrei evitare di fare altre spese inutili, quindi mi affido alla vostra sapienza...secondo voi quale può essere il problema?
Potrebbe essere anche la questione del pin, ma il finestrino dovrebbe salire e scendere in modo corretto, non in automatico, ma neanche a scatti, considerando che se provo a tenere premuto il tasto "Apri" sul telecomando tutti e 4 i finestrini scendono totalmente, ma nel salire (tenendo premuto il tasto "chiudi") vabbè, c'è sempre il finestrino indiziato che sale di un solo scatto.
CHE DITE?
Questi signori sono diventati peggio dei dottori, ognuno ti risponde in modo diverso!
Il motorino alzavetri porta anteriore DX della mia Lybra 1.9 jtd '02 non era pi+ buono tanto che girava a vuoto e quindi il vetro saliva e scendeva con le mani.
L'ho portata dal primo elettrauto che con 85 euro mi ha montato il nuovo motorino, ma il finestrino scende tranquillamente ma sale a scatti. Ho provato ad effettuare la pratica di riprogrammazione (quella tenendo premuto il pulsante per 2 sec su alzata e discesa) ma niente, continua a scendere liscio ma sale a scatti.
Così anche la funzione "automatico" (quella che con un piccolo click del pulsante fa scendere o salire completamente il finestrino)non funziona.
Il secondo elettrauto mi ha detto che mi è stato montato un modello sbagliato perchè sprovvisto di un pin che è proprio quello relativo a tale funzione anche se l'altro dice che il motorino è giusto e che è un problema di centralina.
Io non ho modo di verificare chi sia il cogl.... eehmm, lo stupidone però vorrei evitare di fare altre spese inutili, quindi mi affido alla vostra sapienza...secondo voi quale può essere il problema?
Potrebbe essere anche la questione del pin, ma il finestrino dovrebbe salire e scendere in modo corretto, non in automatico, ma neanche a scatti, considerando che se provo a tenere premuto il tasto "Apri" sul telecomando tutti e 4 i finestrini scendono totalmente, ma nel salire (tenendo premuto il tasto "chiudi") vabbè, c'è sempre il finestrino indiziato che sale di un solo scatto.
CHE DITE?
Re: Finestrino che sale a scatti
La mia 1.9 JTD ha lo stesso problema, il finestrino DX ogni tanto sale a scatti però, come dici tu se gli faccio la procedura del reset, tenendo premuto 4/5 secondi a fine salita e a fine discesa tutto torna normale,ma non ho ancora scoperto la causa del problema.Non ho capito il discorso del telecomando: vuoi dire che con il telecomando dell'apertura delle portiere si possono far salire e scendere i finestrini a distenza?
-
fred summer
- Messaggi: 986
- Iscritto il: 26 feb 2009, 21:52
Re: Finestrino che sale a scatti
Il motore ha un dispositivo anti pizzicamento, che blocca la salita appena c'è uno sforzo maggiore alla sua soglia di taratura. A me capita a volte con uno posteriore che se aperto in una certa posizione, e non completamente, nel risalire a volte si blocca. Forse trova una situazione di sforzo.
Forse il tuo è stato montato male e sforzando un poco (basta proprio poco) si blocca, o il sistema anti pizzicamento è guasto.
Forse il tuo è stato montato male e sforzando un poco (basta proprio poco) si blocca, o il sistema anti pizzicamento è guasto.
Fred Summer
-----------------------------------------------------------
JTD 115cv LS - S.W. - 2004 - Grigio Elisa
-----------------------------------------------------------
-----------------------------------------------------------
JTD 115cv LS - S.W. - 2004 - Grigio Elisa
-----------------------------------------------------------
-
Il compare
- Messaggi: 6
- Iscritto il: 06 feb 2009, 00:29
Re: Finestrino che sale a scatti
Grande...magari montato male, la guida sembra sgombera.
E può essere invece anche come dice l'altro "dottore" che manchi il pin dell'automatico?
E può essere invece anche come dice l'altro "dottore" che manchi il pin dell'automatico?
-
Il compare
- Messaggi: 6
- Iscritto il: 06 feb 2009, 00:29
Re: Finestrino che sale a scatti
Si, ad una distanza di 2-3 metri circa a machcina chiusa tieni premuto il tasto di apertura e dovrebbero scendere tutti e 4 i finestrini in automatico e il contrario a macchina aperta, saliranno insieme.
-
fred summer
- Messaggi: 986
- Iscritto il: 26 feb 2009, 21:52
Re: Finestrino che sale a scatti
Non credo, "l'automatico" lo gestisce la centralina multifunzione che è sotto il tappeto lato passeggero, e se hai fatto correttamente la procedura di settaggio deve funzionare. Non c'è nessun pin per l'automatico sulla Lybra.
Il sensore antipizzicamento si inibisce dopo 3 tentativi consecutivi di chiusura non andati a buon fine, al 4o tentativo il vetro deve risalire in manuale; a questo punto mantieni premuto per 5 secondi (per sicurezza) e vedi se funziona.
Il sensore antipizzicamento si inibisce dopo 3 tentativi consecutivi di chiusura non andati a buon fine, al 4o tentativo il vetro deve risalire in manuale; a questo punto mantieni premuto per 5 secondi (per sicurezza) e vedi se funziona.
Fred Summer
-----------------------------------------------------------
JTD 115cv LS - S.W. - 2004 - Grigio Elisa
-----------------------------------------------------------
-----------------------------------------------------------
JTD 115cv LS - S.W. - 2004 - Grigio Elisa
-----------------------------------------------------------
-
Il compare
- Messaggi: 6
- Iscritto il: 06 feb 2009, 00:29
Re: Finestrino che sale a scatti
Lui dice che al connettore che arriva alla centralina manca il 4 pin dell'automatico, cioè mi vuole dire che l'altro mi ha venduto un motorino per lybra di anno inferiore al 2001, cioè che non prevede tale funzione...
-
fred summer
- Messaggi: 986
- Iscritto il: 26 feb 2009, 21:52
Re: Finestrino che sale a scatti
Allora può essere.
Nelle pre 2001 solo il finestrino guida poteva essere automatico ma senza sensore antipizzicamento, e anche la centralina era diversa dalla versione post 2001.
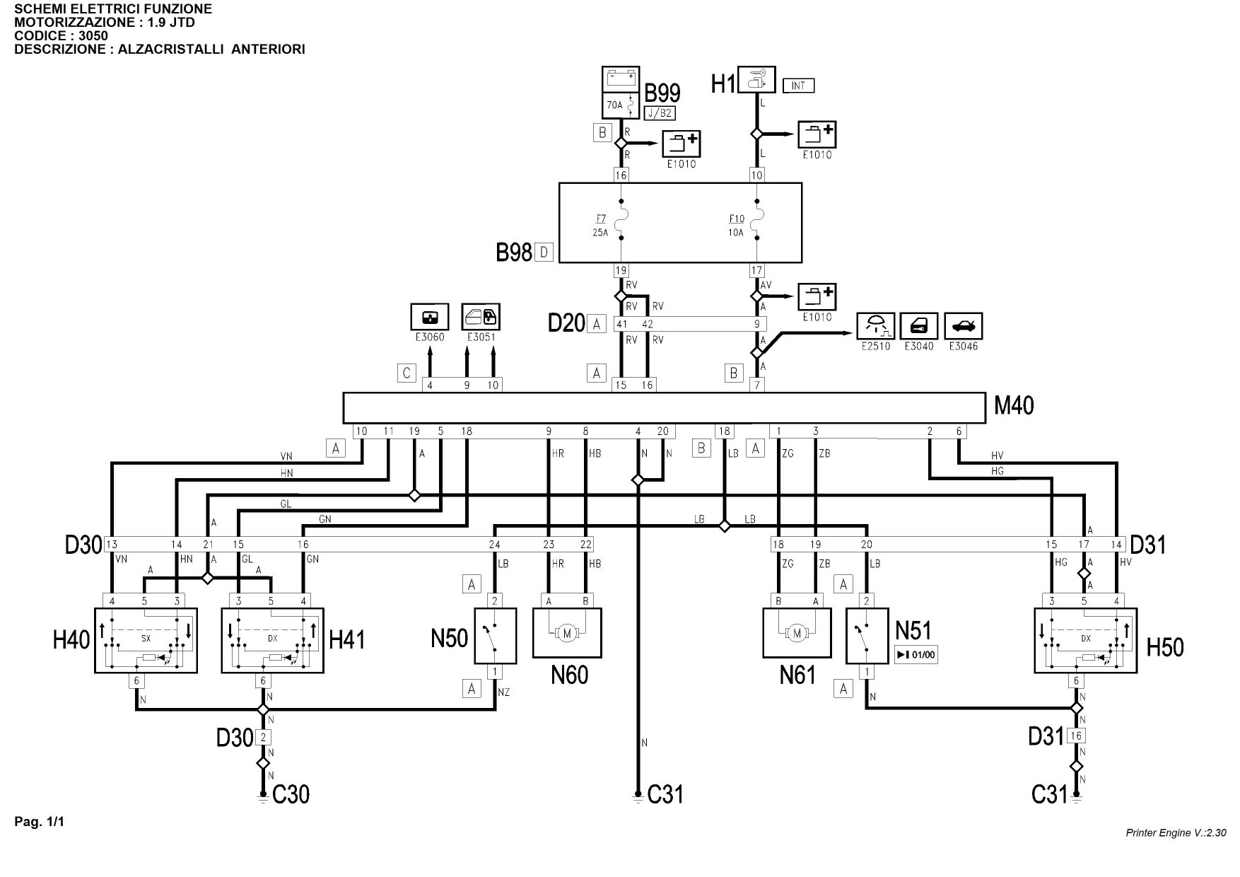
Se ti ha messo un motorino vecchio, la centralina, più nuova non riceve un segnale e quindi comanda il motorino in modo non corretto.
segue...
Nelle pre 2001 solo il finestrino guida poteva essere automatico ma senza sensore antipizzicamento, e anche la centralina era diversa dalla versione post 2001.
Se ti ha messo un motorino vecchio, la centralina, più nuova non riceve un segnale e quindi comanda il motorino in modo non corretto.
segue...
- Allegati
-
- dte print job1.jpg (179.47 KiB) Visto 683 volte
-
- 1.jpg (106.91 KiB) Visto 683 volte
Fred Summer
-----------------------------------------------------------
JTD 115cv LS - S.W. - 2004 - Grigio Elisa
-----------------------------------------------------------
-----------------------------------------------------------
JTD 115cv LS - S.W. - 2004 - Grigio Elisa
-----------------------------------------------------------
-
fred summer
- Messaggi: 986
- Iscritto il: 26 feb 2009, 21:52
Re: Finestrino che sale a scatti
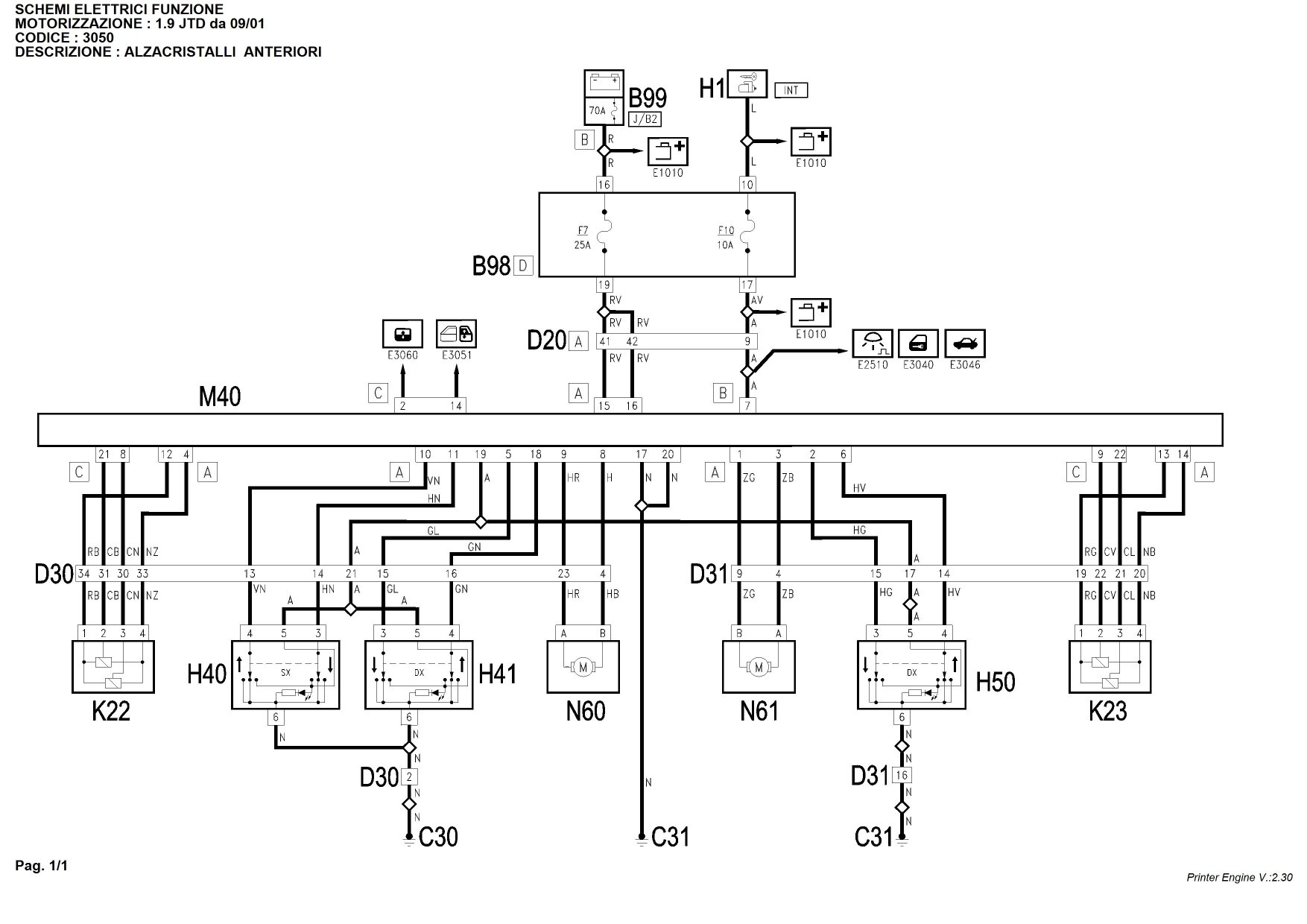
fine.
- Allegati
-
- dte print job2.jpg (184.95 KiB) Visto 683 volte
-
- 2.jpg (113.83 KiB) Visto 683 volte
Fred Summer
-----------------------------------------------------------
JTD 115cv LS - S.W. - 2004 - Grigio Elisa
-----------------------------------------------------------
-----------------------------------------------------------
JTD 115cv LS - S.W. - 2004 - Grigio Elisa
-----------------------------------------------------------
-
Il compare
- Messaggi: 6
- Iscritto il: 06 feb 2009, 00:29
Re: Finestrino che sale a scatti
beh...più completo di così si muore....
GRAZIE CARO!
GRAZIE CARO!