Rückspiegel Anschlussbelegung

weirdmeister
Posts: 3
Joined: 05 Apr 2009, 17:42

Rückspiegel Anschlussbelegung

Unread post by weirdmeister »

hallo

hab mir einen elektrochrom rückspiegel von einem kappa 3.0 ersteigert den ich in mein alfa romeo bauen möchte aber ich weiss nicht die anschlussbelegung der 3 pins bzw deren spannung ??

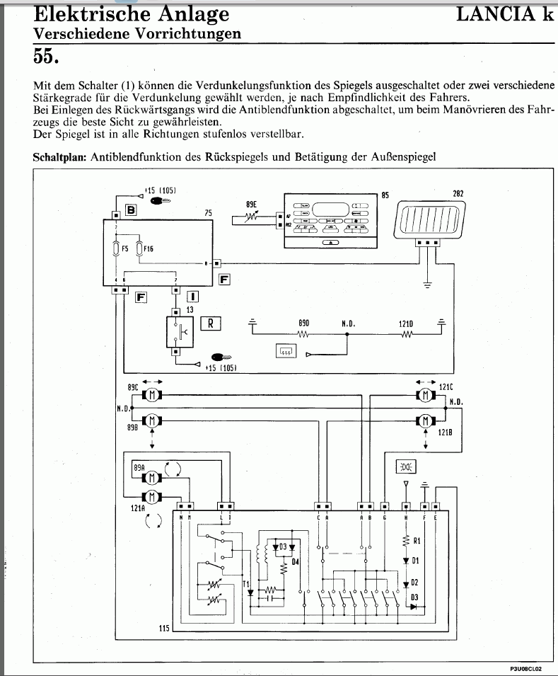
edit: hab mal ein plan gefunden..der kasten 282 oben rechts...mitte scheint masse eins muss der check vom rückfahrlicht sein und eins die versorgung..12v scheint mir sicher
Attachments
plan.gif
plan.gif (59.39 KiB) Viewed 314 times
oddo
Posts: 301
Joined: 29 Dec 2008, 15:19

Re: Rückspiegel Anschlussbelegung

Unread post by oddo »

Hast du auch das steuergerät?
weirdmeister
Posts: 3
Joined: 05 Apr 2009, 17:42

Re: Rückspiegel Anschlussbelegung

Unread post by weirdmeister »

nein,hat der spiegel etwa eins? dachte die gesamte elektronik ist im spiegel
Matthias1
Posts: 514
Joined: 22 Dec 2008, 08:51

Re: Rückspiegel Anschlussbelegung

Unread post by Matthias1 »

Hallo,
der Spiegel soll bei einlegen des Rückwärtsgangs wieder in Normalstellung gehen,
damit die Sicht nach hinten gewährleistet ist.
Dürfte dann wohl so sein das es ein Steuergerät gibt,bzw. für diesen moment die Sromzufuhr
am Spiegel unterbrochen wird.
MfG.Matthias
weirdmeister
Posts: 3
Joined: 05 Apr 2009, 17:42

Re: Rückspiegel Anschlussbelegung

Unread post by weirdmeister »

könnte sein,oder wird einfach am rücklicht wie bei einparkhilfen angeschlossen..werds bald testetn können
Post Reply

Return to “D45 Kappa”