predisposizione audio portiere posteriori
predisposizione audio portiere posteriori
Ciao, qualcuno sa se nelle portiere posteriori ci sono gia le predisposizioni per le casse, i fili per intenderci? ho 2 casse per la mia leona proprio per le portiere ma prima di smontare i pannelli volevo sapere da voi se qualcuno lo sa.. in anticipo ringrazio e aspetto una risposta..
ciao a tutti i leonisti
ciao a tutti i leonisti
-
white.hand@libero.it
- Messaggi: 47
- Iscritto il: 28 dic 2009, 12:28
Re: predisposizione audio portiere posteriori
Se sai tu qualcosa interesserebbe anche a me questo argomento, nei pannelli posteriori ho solamente le sagome a forma di cassa acustica, che si fa in quel caso si taglia con un seghetto?
Re: predisposizione audio portiere posteriori
Sicuramente si.. ma quello a cui bisogna stare attenti è come. se smonti la retina di un'autoparlante, per esempio alla portiera davanti, si vede bene che oltre alla sagoma della retina ci sono anche delle scanalature ove nella retina ci sono i ganci a molla che la tengono aderente alla pannello. quindi il difficile è tagliare bene il pannello, senza sbagli.. anche perchè non so te ma io di ricambio se sbaglio non ne ho
.
Spero piu che altro che qualcuno mi sappia dire se cè la predisposizione per le casse dentro.. altrimenti fra qualche giorno mi ci metto e smonto un pannello. ciao white
Spero piu che altro che qualcuno mi sappia dire se cè la predisposizione per le casse dentro.. altrimenti fra qualche giorno mi ci metto e smonto un pannello. ciao white
Re: predisposizione audio portiere posteriori
No, non c'è nessuna predisposizione.
Le sagome nei pannelli riproducono la posizione delle casse posteriori nelle versioni con il Bose, ma sono diversi i cablaggi (vedi un recente messaggio sulle casse Bose).
Le sagome nei pannelli riproducono la posizione delle casse posteriori nelle versioni con il Bose, ma sono diversi i cablaggi (vedi un recente messaggio sulle casse Bose).
-
michele di pinerolo
- Messaggi: 640
- Iscritto il: 24 dic 2008, 01:29
Re: predisposizione audio portiere posteriori
ciao io ho di recente inciso i pannelli e messo le griglie
ho messo le casse perche c'e' la predisposizione cioe' i fili con rispettivi connettori orginali
ho cllegato le casse ma quei fili non sono collegati all'autoradio.
probabilmente finiscono nel retro dove va' l'amplificatore
bisognerebbe rintracciarli e collegarli per il momento io non ho tempo,
ma appena posso li collego in qualche modo.
ho gia' messo tutto devo solo collegarle.
dovete solo trovare le griglie da mettere nel retro che sono identiche a quelle anteriori.
ciao se qualcuno fa' i collegamenti mi fa sapere?
grazie
ho messo le casse perche c'e' la predisposizione cioe' i fili con rispettivi connettori orginali
ho cllegato le casse ma quei fili non sono collegati all'autoradio.
probabilmente finiscono nel retro dove va' l'amplificatore
bisognerebbe rintracciarli e collegarli per il momento io non ho tempo,
ma appena posso li collego in qualche modo.
ho gia' messo tutto devo solo collegarle.
dovete solo trovare le griglie da mettere nel retro che sono identiche a quelle anteriori.
ciao se qualcuno fa' i collegamenti mi fa sapere?
grazie
MICHELE DI PINEROLO
-
michele di pinerolo
- Messaggi: 640
- Iscritto il: 24 dic 2008, 01:29
Re: predisposizione audio portiere posteriori
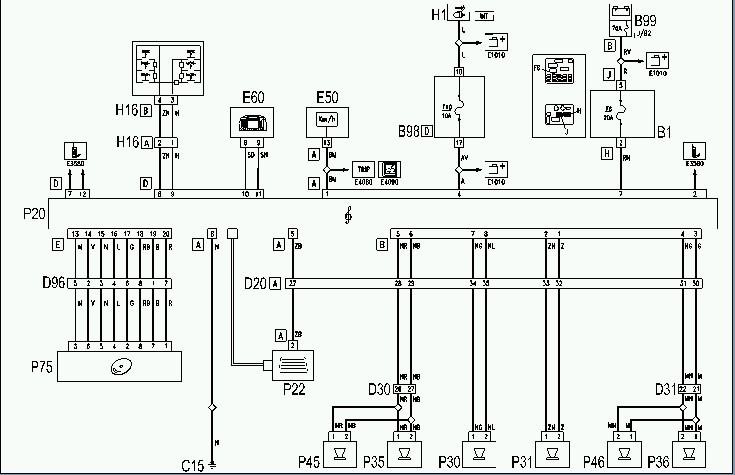
ok tornando indietro nei miei messaggi ho trovato questo :
guardate gli schemi che ho messo forniti da cesar torres da portogallo
ma ci sono anche in giro .
ci sono sia gli schemi per bose che senza basta seguire lo schema e si arriva alla conclusione,
appena ho tempo ci provo ciao
guardate gli schemi che ho messo forniti da cesar torres da portogallo
ma ci sono anche in giro .
ci sono sia gli schemi per bose che senza basta seguire lo schema e si arriva alla conclusione,
appena ho tempo ci provo ciao
- Allegati
-
- radio2[1].jpg (125.1 KiB) Visto 487 volte
-
- radio[1].jpg (75.39 KiB) Visto 487 volte
MICHELE DI PINEROLO
-
michele di pinerolo
- Messaggi: 640
- Iscritto il: 24 dic 2008, 01:29
Re: predisposizione audio portiere posteriori
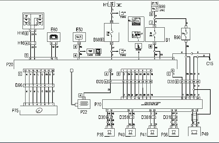
e questi sono per il bose
- Allegati
-
- bose2[1].jpg (130.98 KiB) Visto 487 volte
-
- bose[1].jpg (81.93 KiB) Visto 487 volte
MICHELE DI PINEROLO
Re: predisposizione audio portiere posteriori
Michele, son contento per te se ce la fai e ci capisci.. ma per collegare le casse alle portiere posteriori partiresti quindi dall'amplificatore posteriore? vuoi dire quindi che la tua leona è gia dotata di amplificatore e sub?
Io al massimo mi limitero a far ponte dalle casse anteriori con quelle posteriori, un lavoraccio. che farà perdere qualita di suono per la fatica che farà l'ics a sopportare doppio lavoro.. bo...
Io al massimo mi limitero a far ponte dalle casse anteriori con quelle posteriori, un lavoraccio. che farà perdere qualita di suono per la fatica che farà l'ics a sopportare doppio lavoro.. bo...
Re: predisposizione audio portiere posteriori
zurz Scritto:
-------------------------------------------------------
> Io al massimo mi limitero a far ponte dalle casse
> anteriori con quelle posteriori, un lavoraccio.
> che farà perdere qualita di suono per la fatica
> che farà l'ics a sopportare doppio lavoro.. bo...
Al limite, per mantenere il carico dell'ICS, se per dire pilota altoparlanti con impedenza da 4 ohm dovresti fare in modo di sostituire anche una coppia di quelli anteriori e installare 4 altoparlanti da 8 ohm, in parallelo a due a due, in modo da ottenere sempre un carico corretto per l'amplificatore dell'ICS. Potrebbero tuttavia insorgere problematiche col volume...
-------------------------------------------------------
> Io al massimo mi limitero a far ponte dalle casse
> anteriori con quelle posteriori, un lavoraccio.
> che farà perdere qualita di suono per la fatica
> che farà l'ics a sopportare doppio lavoro.. bo...
Al limite, per mantenere il carico dell'ICS, se per dire pilota altoparlanti con impedenza da 4 ohm dovresti fare in modo di sostituire anche una coppia di quelli anteriori e installare 4 altoparlanti da 8 ohm, in parallelo a due a due, in modo da ottenere sempre un carico corretto per l'amplificatore dell'ICS. Potrebbero tuttavia insorgere problematiche col volume...
Daniele - fiat1100d
Lybra 1.8 LX berlina, 07/2003
Lybra 1.8 LX berlina, 07/2003