autoparlanti post scollegate
-
michele di pinerolo
- Messaggi: 640
- Iscritto il: 24 dic 2008, 01:29
Re: autoparlanti post scollegate
ciao a tutti anche a cesar del lybra portugal
ciao anche a te fiat1100d
io ho collegato tutto come hai fatto anche tu pero' non si sentono le casse
molto probabilmente sono scollegate dall'ics.
provo a seguire lo schema elettrico di cesar
appena trovo del tempo provo premetto che ho anche le casse sulle spalliere posteriori
visto che ho due casse le ho aggiunte alle portiere.
ciao anche a te fiat1100d
io ho collegato tutto come hai fatto anche tu pero' non si sentono le casse
molto probabilmente sono scollegate dall'ics.
provo a seguire lo schema elettrico di cesar
appena trovo del tempo provo premetto che ho anche le casse sulle spalliere posteriori
visto che ho due casse le ho aggiunte alle portiere.
MICHELE DI PINEROLO
-
michele di pinerolo
- Messaggi: 640
- Iscritto il: 24 dic 2008, 01:29
Re: autoparlanti post scollegate
hola cesar
gracias por el esquema eléctrico que me has mandado
pruebo a seguir el enlace y ver si logro conectarle.
pero por qué el sitio del lybra portugués el año cerrado?
gracias todavía y hola
gracias por el esquema eléctrico que me has mandado
pruebo a seguir el enlace y ver si logro conectarle.
pero por qué el sitio del lybra portugués el año cerrado?
gracias todavía y hola
MICHELE DI PINEROLO
-
cesarwr250
- Messaggi: 150
- Iscritto il: 29 gen 2009, 12:34
Re: autoparlanti post scollegate
Ciao amico, il sito ClubLybra in Portogallo chiuso perché l'amministratore del forum (un "bambino")," caduto ", con l'amministratore del forum di alloggi e chiuso. E come questo "ragazzo" non ha una Lybra più, (comprato una Passat), si è disinteressato nel tentativo di aprirla. Ho già provato ad aprire, ma lui non vuole. Lui mi ha consigliato di aprire uno a mio nome. Così, quando ho più tempo, mi si apre uno ...
Perché io amo il LYBRA !!!!!
Saluti dall Portogallo. César.
Lybristi dal Portogallo - Lancia Lybra SW LS 1.9jtd 115hp 2003 (184Mkm)Nero Elena (NoNavi-TV-PS2-Cruise-Bose-Parrot-S.pioggia)
[IMG]http://img390.imageshack.us/img390/7449 ... tarlz4.jpg[/IMG][IMG]http://img125.imageshack.us/img125/1280/assinaturag.jpg[/IMG]
Lybristi dal Portogallo - Lancia Lybra SW LS 1.9jtd 115hp 2003 (184Mkm)Nero Elena (NoNavi-TV-PS2-Cruise-Bose-Parrot-S.pioggia)
[IMG]http://img390.imageshack.us/img390/7449 ... tarlz4.jpg[/IMG][IMG]http://img125.imageshack.us/img125/1280/assinaturag.jpg[/IMG]
Re: autoparlanti post scollegate
michele di pinerolo Scritto:
-------------------------------------------------------
> ciao a tutti anche a cesar del lybra portugal
> ciao anche a te fiat1100d
> io ho collegato tutto come hai fatto anche tu
> pero' non si sentono le casse
Ciao, io parlavo di teoria, nella pratica non ho aggiunto le casse (non direi di aver scritto ciò).
C'è a tutti gli effetti da vedere se il cablaggio della predisposizione non sia per il BOSE, che usa le casse negli sportelli posteriori.
> molto probabilmente sono scollegate dall'ics.
Esatto... Perché l'impianto di base dovrebbe avere sei altoparlanti, c'è da vedere se l'amplificatore dell'ICS possa pilotarne altre due o meno.
> provo a seguire lo schema elettrico di cesar
> appena trovo del tempo provo premetto che ho anche
> le casse sulle spalliere posteriori
> visto che ho due casse le ho aggiunte alle
> portiere.
Ho idea che i cavi predisposti siano per un impianto tipo BOSE con casse negli sportelli, comunque se segui lo schema e vedi che si riescono a pilotare, facci sapere!
-------------------------------------------------------
> ciao a tutti anche a cesar del lybra portugal
> ciao anche a te fiat1100d
> io ho collegato tutto come hai fatto anche tu
> pero' non si sentono le casse
Ciao, io parlavo di teoria, nella pratica non ho aggiunto le casse (non direi di aver scritto ciò).
C'è a tutti gli effetti da vedere se il cablaggio della predisposizione non sia per il BOSE, che usa le casse negli sportelli posteriori.
> molto probabilmente sono scollegate dall'ics.
Esatto... Perché l'impianto di base dovrebbe avere sei altoparlanti, c'è da vedere se l'amplificatore dell'ICS possa pilotarne altre due o meno.
> provo a seguire lo schema elettrico di cesar
> appena trovo del tempo provo premetto che ho anche
> le casse sulle spalliere posteriori
> visto che ho due casse le ho aggiunte alle
> portiere.
Ho idea che i cavi predisposti siano per un impianto tipo BOSE con casse negli sportelli, comunque se segui lo schema e vedi che si riescono a pilotare, facci sapere!
Daniele - fiat1100d
Lybra 1.8 LX berlina, 07/2003
Lybra 1.8 LX berlina, 07/2003
-
michele di pinerolo
- Messaggi: 640
- Iscritto il: 24 dic 2008, 01:29
Re: autoparlanti post scollegate
si sicuramente e' come dici tu
lo schema di cesar e' sicuramente per il bose
comunque devo sicuramente mettere un amplificatore.
mi faro' consigliare sul dafarsi.
comunque grazie ugualmente.
buona serata a tutti
lo schema di cesar e' sicuramente per il bose
comunque devo sicuramente mettere un amplificatore.
mi faro' consigliare sul dafarsi.
comunque grazie ugualmente.
buona serata a tutti
MICHELE DI PINEROLO
-
cesarwr250
- Messaggi: 150
- Iscritto il: 29 gen 2009, 12:34
Re: autoparlanti post scollegate
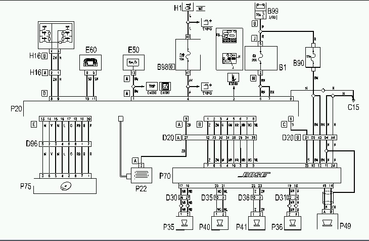
Ciao, il shema che sono inviati é dal tuo versione normale. I fili che vanno alle altoparlante è pre-amplificata in ICS. In il sistema Boose, il cavi dei altoparlante provenienti dal ICS ha una altra connessione nella zona del passeggero (a destra)(D20A e D20B) che porta i fili direttamente l'amplificatore P70 si trova sotto la subwofer nella bagalagio. Dopo aver lasciato qui amplificatore, è più amplificato per le altoparlante.
- Allegati
-
- bose2.jpg (130.98 KiB) Visto 287 volte
-
- bose.jpg (81.93 KiB) Visto 287 volte
Saluti dall Portogallo. César.
Lybristi dal Portogallo - Lancia Lybra SW LS 1.9jtd 115hp 2003 (184Mkm)Nero Elena (NoNavi-TV-PS2-Cruise-Bose-Parrot-S.pioggia)
[IMG]http://img390.imageshack.us/img390/7449 ... tarlz4.jpg[/IMG][IMG]http://img125.imageshack.us/img125/1280/assinaturag.jpg[/IMG]
Lybristi dal Portogallo - Lancia Lybra SW LS 1.9jtd 115hp 2003 (184Mkm)Nero Elena (NoNavi-TV-PS2-Cruise-Bose-Parrot-S.pioggia)
[IMG]http://img390.imageshack.us/img390/7449 ... tarlz4.jpg[/IMG][IMG]http://img125.imageshack.us/img125/1280/assinaturag.jpg[/IMG]
-
cesarwr250
- Messaggi: 150
- Iscritto il: 29 gen 2009, 12:34
Re: autoparlanti post scollegate
questi schema ho preso di il manuale di officina che mi hai mandato. il schema che ho inviato qui è povero di qualità, ma se si stampa dal programma, sono molto buone. Inoltre, per ogni schema è un pulsante sotto il pulsante di stampa ti dà una spiegazione generale e una spiegazione più tecnica. Questo manuale è molto buono e ho imparato molto da lui. io lo uso abbastanza. Se avete domande, si può chiedere a me. Grande abbraccio.
Saluti dall Portogallo. César.
Lybristi dal Portogallo - Lancia Lybra SW LS 1.9jtd 115hp 2003 (184Mkm)Nero Elena (NoNavi-TV-PS2-Cruise-Bose-Parrot-S.pioggia)
[IMG]http://img390.imageshack.us/img390/7449 ... tarlz4.jpg[/IMG][IMG]http://img125.imageshack.us/img125/1280/assinaturag.jpg[/IMG]
Lybristi dal Portogallo - Lancia Lybra SW LS 1.9jtd 115hp 2003 (184Mkm)Nero Elena (NoNavi-TV-PS2-Cruise-Bose-Parrot-S.pioggia)
[IMG]http://img390.imageshack.us/img390/7449 ... tarlz4.jpg[/IMG][IMG]http://img125.imageshack.us/img125/1280/assinaturag.jpg[/IMG]
-
michele di pinerolo
- Messaggi: 640
- Iscritto il: 24 dic 2008, 01:29
Re: autoparlanti post scollegate
grazie cesar
domani faccio delle prove e ti faccio sapere
ciao e grazie ancora
domani faccio delle prove e ti faccio sapere
ciao e grazie ancora
MICHELE DI PINEROLO
Re: autoparlanti post scollegate
la mia leona e un 2.4 sw lx del 2003,ho trovato le casse bose posteriori e volevo montarle dato che ci sono i cavi delle casse nelle portiere post. ( cio vuol dire che e predisposta basta collegarle) ma quando le ho connesse non si sente nessun suono,ho seguito la discussione e ho visto lo schema,ma pultroppo x me e arabo,chiedo il vostro aiuto sul da farsi,un ringraziamento a tutti i volontari
2.4 jtd lx sw no navi 150cv (del 01/2003 )
Re: autoparlanti post scollegate
La mia 2.4 lx del 2001 ha tutti gli altoparlanti di serie, con l'impianto bose
Hyundai i 30cw 1.6 crdi, 90cv Steel Grey Met.