Schema elettrico

Gallery
Flaminia WW Registry
Franco Manitto

Schema elettrico

Messaggio da leggere da Franco Manitto »

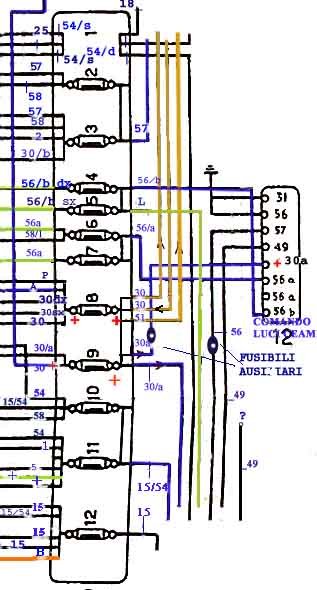
Sto sistemando l'impianto elettrico, di una Flaminia 3C GT '62, il quale aveva subito dei rimaneggiamenti. Per farlo ho opportunamente ingrandito lo schema del libretto d'uso. I cablaggi sono fedeli, ma è difficile poi raccapezzarsi sulla vettura poichè sul disegno non sono riportate le numerazioni stampigliate sui vari fili elettrici.
Ho anche qualche dubbio sullo schema interno del devioluci C.E.A.M.
Chiedo agli amici in linea se qulcuno può dare un aiuto. Grazie. Saluti.
Alfredo

Re: Schema elettrico

Messaggio da leggere da Alfredo »

Caro Franco, ho una specie di schema schizzato a mano con le numerazioni, fu fatto anni e anni fa quando misero mano all'impianto elettrico della mia 3C GT Touring. Per favore inviami il tuo, quello che hai ingrandito dal libretto d'uso, e farò le opportune chiose. Così finalmente avremo uno schema pulito e preciso! Saluti, Alfredo
Franco Manitto

Re: Schema elettrico

Messaggio da leggere da Franco Manitto »

Ho letto solo oggi.
Ti invierò il tutto ed i dati da me rilevati. Sarebbe un bel passo aventi poter avere questo schema...!
Saluti.
salgui
Messaggi: 5
Iscritto il: 08 ott 2023, 20:50

Re: Schema elettrico

Messaggio da leggere da salgui »

Buongiorno, sono un nuovo iscritto del forum e quindi sto leggendo solo adesso i vari messaggi dello stesso. So che i vostri messaggi sono molto vecchi quindi non so se potete aiutarmi. Sto montando un devio delle frecce sulla flaminia touring e ho un problema che una volta inserite le frecce (dx o sx) non le sgancia automaticamentema, devo toglierle manualmente. Potresti mandarmi lo schema elettrico di come vanno montati i fili sullo stesso.
salgui
Messaggi: 5
Iscritto il: 08 ott 2023, 20:50

Re: Schema elettrico

Messaggio da leggere da salgui »

Il devio e di marca CEAM
SilvanoMaiolatesi
Messaggi: 1882
Iscritto il: 12 set 2016, 00:01

Re: Schema elettrico

Messaggio da leggere da SilvanoMaiolatesi »

Buon giorno, il problema dello sgancio automatico è un problema meccanico, è probabile che il devio montato sia difettoso o non perfettamente uguale all'originale.
salgui
Messaggi: 5
Iscritto il: 08 ott 2023, 20:50

Re: Schema elettrico

Messaggio da leggere da salgui »

La ringrazio per la risposta. Non è che abbia lo schema dei colori e numerazione dei fili che vanno montati sul devio? Ho la sensazione che qualcuno abbia messo mano su questo impianto e abbia fatto un pasticcio. Le bobinette dello sgancio devono ricevere corrente a 12 V o meno? Il devio vorrei ordinarlo nuovo, ho già parlato con il sig. Cavalitto di Torino e lo ha disponibile, però vorrei essere prima sicuro che il problema sia realmente il devio.
SilvanoMaiolatesi
Messaggi: 1882
Iscritto il: 12 set 2016, 00:01

Re: Schema elettrico

Messaggio da leggere da SilvanoMaiolatesi »

Mi spiace ma non ho lo schema dell'impianto elettrico.
gfmanitto
Messaggi: 180
Iscritto il: 06 gen 2009, 00:10

Re: Schema elettrico

Messaggio da leggere da gfmanitto »

Salve.
Ripubblico allora gli schemi aggiornati dell'impianto elettrico del deviatore CEAM della Flaminia GT 3C che avevo elaborato a suo tempo.
Se servono più dettagliati ossia file più grandi non pubblicabili sul sito, potete contattarmi e ve li manderò.
Saluti
Allegati
Flaminia GT 3C Scatola fusibili 2.5 copia.jpg
Flaminia GT 3C Schema Elettrico 2.8-compresso B.pdf
(276.39 KiB) Scaricato 83 volte
Elettromagneti CEAM_013.JPG
Rispondi

Torna a “Flaminia”