Fensterheber zäh

Gwaltinger
Posts: 99
Joined: 08 Aug 2017, 23:00

Fensterheber zäh

Unread post by Gwaltinger »

Liebe Thema Freunde,

Von meinen vier elektrischen Fensterhebern funktioniert nur der fahrerseitige einwandfrei. Alle anderen funktionieren nur sehr zäh oder manchmal garnicht. Liegt das nun eher an schlechten Kontakten der Mikroschalter, an den Motoren, an irgendwelchen Reibungen oder an allem genannten? - Wie kann man das Problem beheben?

Grüße,

Günther
volker225
Posts: 831
Joined: 17 Apr 2009, 16:17

Re: Fensterheber zäh

Unread post by volker225 »

Hallo Günther,
Probleme mit langsamen Fensterhebern direkt an den Fensterheberschaltern habe ich noch nie gehabt, entweder sie funktionieren oder nicht. Bei der ersten Serie sind die allerdings noch nicht "versiegelt", heißt, es kann Dreck reinfallen und dann funktionieren sie eben nicht mehr.
Meistens ist aber die Mechanik schwergängig, d.h. die Fenster in den Schächten und die Spirale im Antrieb.
Alles schmieren und pflegen.

Ansonsten musst Du mal die Spannung am Motor messen, Stichwort Spannungsabfall durch Übergangswiderstände.
Gruß
Volker
Gwaltinger
Posts: 99
Joined: 08 Aug 2017, 23:00

Re: Fensterheber zäh

Unread post by Gwaltinger »

Hallo,

Es sind definitiv die Schalter! - Motor ohne Schalter gebrückt: Fenster geht tadellos auf- und zu. Übergangswiderstand bei Betätigung am Schalter gemessen: zwischen 10 und 40 Ohm! Sollte wohl viel geringer sein! - Ich werde mir KOntaktspray besorgen und die Schalter damit fluten - vielleicht hilft es. Ich kann nicht erkennen, wie man die Schalter zerlegen könnte.

Günther
volker225
Posts: 831
Joined: 17 Apr 2009, 16:17

Re: Fensterheber zäh

Unread post by volker225 »

Das hatte ich tatsächlich noch nie, ist dann aber eindeutig der Fehler, der Innenwiderstand müßte unter einem Ohm liegen.
Den Schalter kann man zerlegen. Ich sehe mal nach, ob ich noch einen der ersten Serie finde, dann schreibe ich, wie.
Gruß
Volker
Gwaltinger
Posts: 99
Joined: 08 Aug 2017, 23:00

Re: Fensterheber zäh

Unread post by Gwaltinger »

Ich hab die 2er Serie (1989 mit Kat).
Gwaltinger
Posts: 99
Joined: 08 Aug 2017, 23:00

Re: Fensterheber zäh

Unread post by Gwaltinger »

Hallo Volker,

Vielen Dank - nicht mehr notwendig!

Ich habe den ersten (ohne Zerlegung - das ging nicht) mit "Tuner 600" Kontaktreiniger geflutet und danach sofort bei jeder Betätigung <0,5 Ohm erhalten. Am Wochenende mach ich es mit allen anderen Schaltern (ALLE bis auf den fahrerseitigen Schalter haben das Problem!) und dann berichte ich, ob es funktioniert hat!

Günther
martin834
Posts: 33
Joined: 26 Dec 2025, 13:18

Fensterheber beifahrer, bedienung fahrertür

Unread post by martin834 »

Hallo!
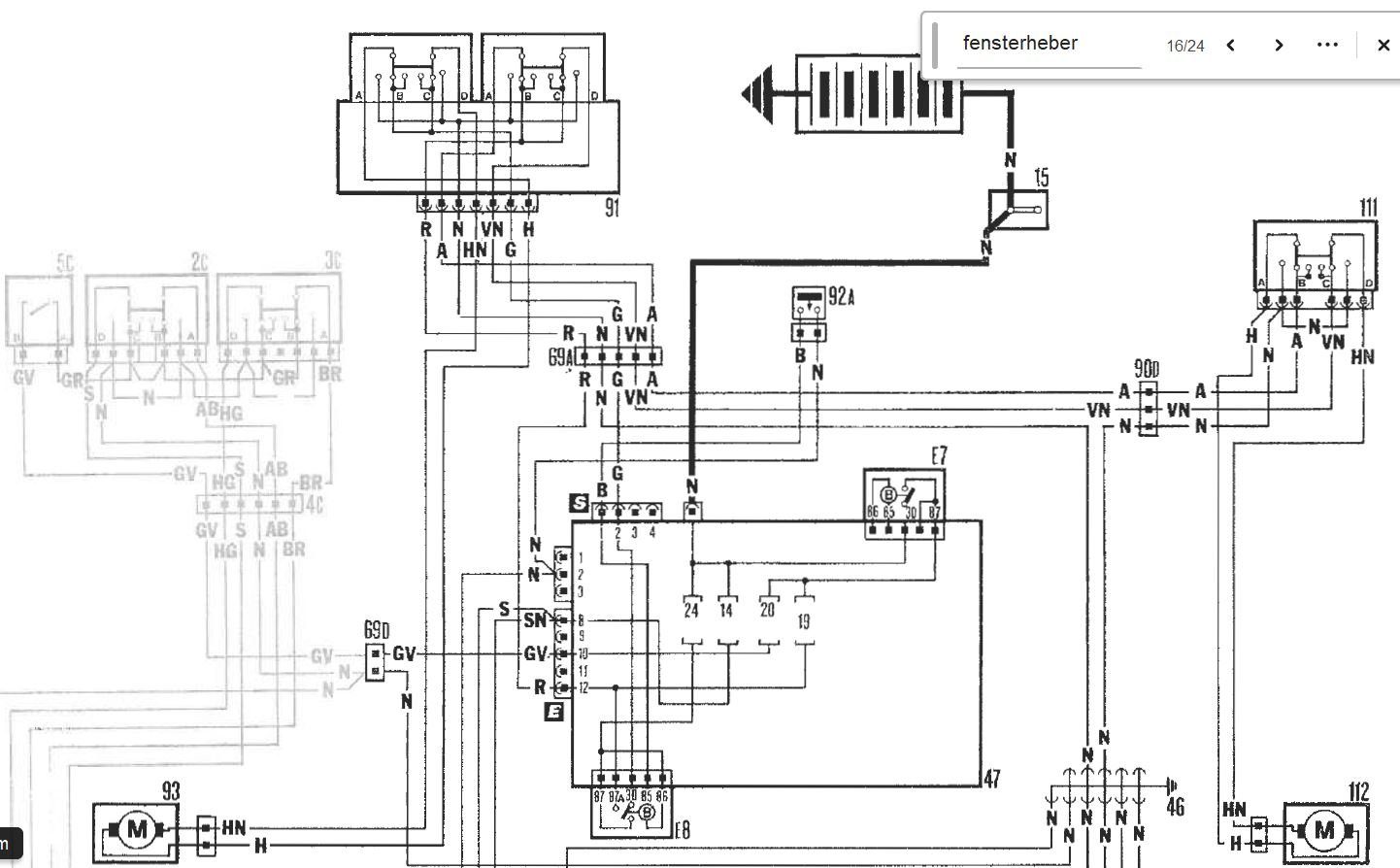
Ich knüpfe hier einfach mal an, mein Problem mit den Fensterhebern finde ich hier allerdings nicht. Die Bedienung der Beifahrertürfensterhebers von der fahrertür aus funktioniert nicht. anfangs ging die "hoch"funktion noch, jezt nix mehr. der schalter kann es eigentlich nicht sein, beide schalter funktionieren für das fahrertürfenster, hab's ausprobiert. Was jetzt? Ist da ein Releais irgendwo? Ich meine, ich höre etwas, kann es aber nicht lokalisieren. Der wäre doch überprüfenswert, denke ich.

Angehängt habe ich den el. Plan, leider fehlt mir die Legende, kann mir vllt jemand damit aushelfen?

danke

PS: ich habe leider den türgriff zerstört, weil die schraube in der nähe der schalter/des türöffners sich nicht mehr lösen ließ und ich zu ungedultig war. wenn also jemand diesen türgriff noch hat, hätte ich interesse...
Attachments
schaltplanfensterheber.JPG
martin834
Posts: 33
Joined: 26 Dec 2025, 13:18

Re: Fensterheber zäh

Unread post by martin834 »

Hallo,

will mich an dieser Stelle der Richtigkeit halber korrigieren: Es waren auch bei mir die Schalter. Nach Demontage (der in der Beifahrertür hat leider Federn gelassen) der Wippen und der Flutung mit "kontakt chemie" funktionieren die Schalter wohl einwandfrei. Dann habe ich vorsichtshalber die Türpappe der Beifahrertür entfernt und die GleitSchiene u. Co. etwas gefettet. Viel mehr kann man nicht machen, oder? Läuft jetzt auch ganz anständig, meine ich. Bin gespannt, wie lange.

Komische fand ich die Türgriffbefestigungsschrauben. Schrauben mit konischem Blechgewinde drehen sich in eine Art Mutter? Ich habe da ein M5-Gewinde reingeschnitten, wenn's funktioniert, die solidere Lsg, finde ich. Leider sind auch 2 Befestigungsclips der Türpappen kaputt gegangen. Mal schauen, ob es passenden Ersatz gibt.

gruß
martin
Post Reply

Return to “D50 Thema, Dedra”