comando acceleratore

Mercatino
Gallery
poti francesco
Messaggi: 266
Iscritto il: 12 ago 2011, 15:11

comando acceleratore

Messaggio da leggere da poti francesco »

spero si essere al capolinea della risoluzione di infiniti problemi di un restauro snervante;non è ottimale l'azione del pedale dell'acceleratore della mia coupè 1800 iniezione,in quanto a fluidità di movimento e poaizione scomoda del piede,a mio avviso per posizione poco verticale dello stesso pedale che alla massima escursione impone una posizione del piede quasi orizzontale,come da schiacciamento.Il pedaleè stato montato ovviamente nei suoi tre buchi originali,il cavo è stato sostituito;mi vrttrbbr da pensare che i leveraggi si siano modificati,ma mi sembra una ipotesi remota,visto il loro spessore.Mi sarebbe utile,oltre a un vostro parere,una foto del dettaglio dell'insieme per valutare eventuali errori nel montaggio o altra causa.Ringrazio per la collaborazione,Francesco
gcarenini
Messaggi: 1692
Iscritto il: 18 gen 2011, 12:21

Re: comando acceleratore

Messaggio da leggere da gcarenini »

Ciao Francesco,

sinceramente non riesco a comprendere il problema, mi sembra strano che qualcuno possa vere modificato i leveraggi, nella versione ad iniezione il pedale comanda una leva, identica per tutte le versioni, che tramite un cavo agisce direttamente sulla pompa di iniezione,
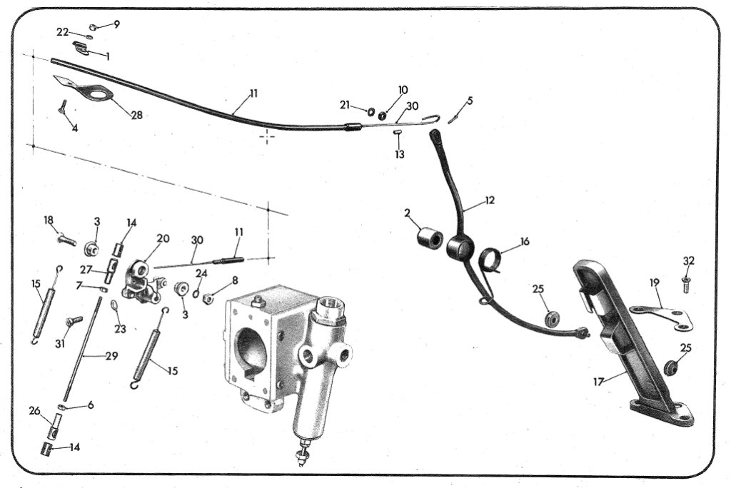
Il pedale ha una sorta di tassello di arresto a fine corsa.
Nella tavola 16C in allegato puoi vedere le varie parti.

Ciao

Giovanni
Allegati
CATALOGO PARTI DI RICAMBIO 8798539 Tav 16C.jpg
poti francesco
Messaggi: 266
Iscritto il: 12 ago 2011, 15:11

Re: comando acceleratore

Messaggio da leggere da poti francesco »

grazie Gionanni,controllo meglio,forse la leva si è deformata per qualche ragione che non so.Ti faccio sapere l'esito.saluti Grancesco
Rispondi

Torna a “Flavia e "2000"”