Hallo,
Een week of 3 geleden moest mn gasklephuis gereinigd worden (bij de dealer geweest) Klachten waren als of de auto verzoop en waren een 2,5 week weg en het begint weer langzaam terug te komen (met het bijbehorende verbruik). Moet de auto zichzelf weer inregelen. Of is er wat anders aan de beurt, zoals de lmm, lambdasensor?
Hij gaat over 2 weken voor de apk. En wil dit gelijk goed oplossen. Ook zal mn koppeling dan vervangen worden wie weet kan dat het probleem zijn?
Ben benieuwd wat de gedachten over dit probleem zijn.
Alvast thankx
Gr
Remco
gasklephuis laten reinigen en probleem komt weer terug
Re: gasklephuis laten reinigen en probleem komt weer terug
Hallo Gerben,
Allereerst bedankt voor je reactie.
Het probleem is als volgt:
De auto valt terug in toeren wanneer je voor een stoplicht stopt en soms valt de auto helemaal uit. Wanneer je wilt optrekken dan duurt het 1 a 2 seconden voor deze überhaupt reactie geeft door te gaan rijden. Ook gaat het verbruik qua benzine ook omhoog en ruik je soms een verbande benzinelucht. Ook bijvoorbeeld bij het achteruit rijden is hetzelfde verhaal. Ook houd de motor lichtjes in wanneer je bijvoorbeeld wat gas geeft in zijn 2,3,4 versnelling. Het probleem is pas wanneer de motor een aantal minuten heeft warm gelopen.
De dealer heeft dus een week of 3 geleden het gasklephuis schongemaakt en de lucht aan voerslang voor de motor vervangen (zat een leuk gat in). Er kwam overigens niks bovendrijven door de boordcomputer uit te lezen. De Lybra heeft prima gelopen voor een week of 2 en nu begint het probleem zoals hierboven langzaam maar zeker weer terug te komen. En is mijn vraag moet de motor zichzelf nog inregelen, kan het te maken hebben met defecte koppeling, is het wat anders zoals een vieze/defecte lmm, katalysator, etc.
De lybra gaat over 1,5 week voor de apk en wil het gelijk laten meenemen, ze is er dan toch. Maar wil toch wat info van te voren wat het kan zijn. Om zo niet gepiepeld te worden.
Gr
Remco
Allereerst bedankt voor je reactie.
Het probleem is als volgt:
De auto valt terug in toeren wanneer je voor een stoplicht stopt en soms valt de auto helemaal uit. Wanneer je wilt optrekken dan duurt het 1 a 2 seconden voor deze überhaupt reactie geeft door te gaan rijden. Ook gaat het verbruik qua benzine ook omhoog en ruik je soms een verbande benzinelucht. Ook bijvoorbeeld bij het achteruit rijden is hetzelfde verhaal. Ook houd de motor lichtjes in wanneer je bijvoorbeeld wat gas geeft in zijn 2,3,4 versnelling. Het probleem is pas wanneer de motor een aantal minuten heeft warm gelopen.
De dealer heeft dus een week of 3 geleden het gasklephuis schongemaakt en de lucht aan voerslang voor de motor vervangen (zat een leuk gat in). Er kwam overigens niks bovendrijven door de boordcomputer uit te lezen. De Lybra heeft prima gelopen voor een week of 2 en nu begint het probleem zoals hierboven langzaam maar zeker weer terug te komen. En is mijn vraag moet de motor zichzelf nog inregelen, kan het te maken hebben met defecte koppeling, is het wat anders zoals een vieze/defecte lmm, katalysator, etc.
De lybra gaat over 1,5 week voor de apk en wil het gelijk laten meenemen, ze is er dan toch. Maar wil toch wat info van te voren wat het kan zijn. Om zo niet gepiepeld te worden.
Gr
Remco
Re: gasklephuis laten reinigen en probleem komt weer terug
Komt de motor op temperatuur of blijft hij hangen rond 70 graden. Dat zo een defecte thermostaat zijn waardoor het mengsel te rijk blijft.
Bij ons hebben we een hoop geklier gehad met de lambdasondes , vergelijkbare symptomen.
Bobines misschien niet goed? (alhoewel bij een kapotte bobine je motormanagement rood gaat oplichten) .
Inleren van de ecu is een korte tijd, ongeveer een 100 km en dan stabiel is mijn ervaring...
Succes in ieder geval.
Bij ons hebben we een hoop geklier gehad met de lambdasondes , vergelijkbare symptomen.
Bobines misschien niet goed? (alhoewel bij een kapotte bobine je motormanagement rood gaat oplichten) .
Inleren van de ecu is een korte tijd, ongeveer een 100 km en dan stabiel is mijn ervaring...
Succes in ieder geval.
Ex-eigenaar 09-JR-DT , moderator Thesis en Lybra forum
http://www.viva-lancia.com/lancia_fora/ ... ybra_1.jpg
http://www.viva-lancia.com/lancia_fora/ ... ybra_1.jpg
Re: gasklephuis laten reinigen en probleem komt weer terug
de wit bij mij ging het motormanagement lampje oranje branden en doet de cruisecontrol het wel
Re: gasklephuis laten reinigen en probleem komt weer terug
Ik gok op de lambda dan. Goed laten meten (moet ook uit te lezen zijn!) , bij ons brandt lampje continu maar werkt alles wel goed, tot aan uitlaatgasmeting aan toe..
Vermoedelijk slechte massaverbinding, na de 5e sensor geloofden wij het wel...
Vermoedelijk slechte massaverbinding, na de 5e sensor geloofden wij het wel...
Ex-eigenaar 09-JR-DT , moderator Thesis en Lybra forum
http://www.viva-lancia.com/lancia_fora/ ... ybra_1.jpg
http://www.viva-lancia.com/lancia_fora/ ... ybra_1.jpg
Re: gasklephuis laten reinigen en probleem komt weer terug
Probeer de stekker van de luchtmassa er eens af te halen , Ecu gaat dan in noodloop , staat een beetje te rijk maar loopt wel normaal . Let op deze storing word opgeslagen en zal de volgende keer in beeld komen als je haar aan de Examiner hangt .
Re: gasklephuis laten reinigen en probleem komt weer terug
Hallo all,
Bedankt voor de vele reacties.
@Dennis de auto wordt netjes warm gewoon 90 graden. Geen meldingen op het dashboard. Zat zelf ook te denken aan een lambdasonde btw beterschap
.
@Gstijf LMM heb ik ook al eerder aan gedacht alleen weet niet helemaal waar die zit, als je een foto hebt kan ik dat van de week uit sluiten. Of uitleggen waar die zou moeten zitten als ik voor de auto sta
Wat het ook kan zijn is dat ik vorige week de benzine tank behoorlijk leeg heb gereden dus ik zat er ook aan te denken dat er eventueel wat rotzooi weer het gasklephuis in is gekomen, maar kan dat?
Ik houd jullie op de hoogte wat het kan geweest zijn. Nogmaals bedankt voor jullie reacties.
Gr
Remco
Bedankt voor de vele reacties.
@Dennis de auto wordt netjes warm gewoon 90 graden. Geen meldingen op het dashboard. Zat zelf ook te denken aan een lambdasonde btw beterschap

@Gstijf LMM heb ik ook al eerder aan gedacht alleen weet niet helemaal waar die zit, als je een foto hebt kan ik dat van de week uit sluiten. Of uitleggen waar die zou moeten zitten als ik voor de auto sta
Wat het ook kan zijn is dat ik vorige week de benzine tank behoorlijk leeg heb gereden dus ik zat er ook aan te denken dat er eventueel wat rotzooi weer het gasklephuis in is gekomen, maar kan dat?
Ik houd jullie op de hoogte wat het kan geweest zijn. Nogmaals bedankt voor jullie reacties.
Gr
Remco
Re: gasklephuis laten reinigen en probleem komt weer terug
Lmm zit tussen luchtfilter (grote kunststof bak met buis naar motor) en aanzuigbuis. Volg luchtfilterhuis naar motor, eerste stekker die je tegenkomt is van lmm .
En bedankt, gezondheid verbeterd weer gelukkig.. kan ik dickh eindelijk voorzien van noodzakelijk cdtje
En bedankt, gezondheid verbeterd weer gelukkig.. kan ik dickh eindelijk voorzien van noodzakelijk cdtje

Ex-eigenaar 09-JR-DT , moderator Thesis en Lybra forum
http://www.viva-lancia.com/lancia_fora/ ... ybra_1.jpg
http://www.viva-lancia.com/lancia_fora/ ... ybra_1.jpg
Re: gasklephuis laten reinigen en probleem komt weer terug
Hoi Remco,
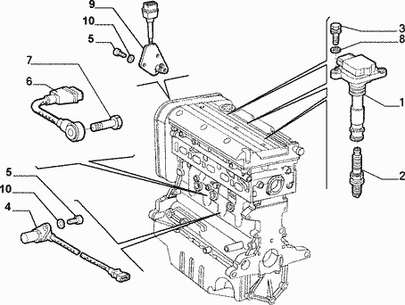
Ik loop ook al een tijdje te rommelen met ongeveer hetzelfde probleem. Bij mij is ook gasklephuis gereinigd wat wel voor iets verbetering zorgde maar bleef raar doen. Ik heb er een nieuwe puls gever ingezet voor de nokkenas versteller wat ook weer zorgde dat hij iets beter liep maar verbruik bleef hoog en hij bleef stinken. Tijdens het uitlezen gaf hij alleen een foutmelding aan bij een van de klopsensoren maar dat was volgens de garage een gevolg van en niet de oorzaak. Toch heb ik het idee dat het aan de klopsensor ligt. Ik heb nu een paar keer 98 getankt en probleem is weg. Ik heb klopsensor voor 35 euro gekocht moet alleen nog kijken hoe ik hem er in krijg. Zit op een fijne plaats onder inlaatspruitstuk. Is nummer 6 op het plaatje maar zit bij mij aan de achterkant en niet aan de voorkant zoals hier staat. En ik heb er volgens mij twee. Probeer eens 98 te tanken.
Succes
Menno
Ik loop ook al een tijdje te rommelen met ongeveer hetzelfde probleem. Bij mij is ook gasklephuis gereinigd wat wel voor iets verbetering zorgde maar bleef raar doen. Ik heb er een nieuwe puls gever ingezet voor de nokkenas versteller wat ook weer zorgde dat hij iets beter liep maar verbruik bleef hoog en hij bleef stinken. Tijdens het uitlezen gaf hij alleen een foutmelding aan bij een van de klopsensoren maar dat was volgens de garage een gevolg van en niet de oorzaak. Toch heb ik het idee dat het aan de klopsensor ligt. Ik heb nu een paar keer 98 getankt en probleem is weg. Ik heb klopsensor voor 35 euro gekocht moet alleen nog kijken hoe ik hem er in krijg. Zit op een fijne plaats onder inlaatspruitstuk. Is nummer 6 op het plaatje maar zit bij mij aan de achterkant en niet aan de voorkant zoals hier staat. En ik heb er volgens mij twee. Probeer eens 98 te tanken.
Succes
Menno
- Attachments
-
- plaatje voor sensoren lybra motor.png (13.9 KiB) Viewed 607 times
Menno
Lancia lybra 2.0 20v lx 2000
Lancia ypsilon 1.2 8v LS 2001
Lancia lybra 2.0 20v lx 2000
Lancia ypsilon 1.2 8v LS 2001